Skip to main content

Features

  • 5A single channel complete power supply
  • Integrates controller, MOSFETs and inductor
  • Pin/function compatible with the 3A ISL8202M
  • 2.6V to 5.5V input voltage range
  • Adjustable output voltage range
  • As low as 0.6V with ±1.6% accuracy over line/load/temperature
  • Up to 95% efficiency
  • Default 1.8MHz current mode control operations
  • 680kHz to 3.5MHz resistor adjustable
  • External synchronization up to 3.5MHz
  • Selectable light-load efficiency mode
  • 100% duty cycle LDO mode
  • Programmable soft-start
  • Soft-stop output discharge
  • Dedicated enable pin and power-good flag
  • UVLO, over-temperature, overcurrent, overvoltage and negative overcurrent protections
  • Overcurrent/short-circuit hiccup mode
  • 4.5mmx7.5mmx1.85mm 22 Ld QFN package

Description

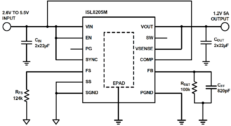
The ISL8205M power module is a single channel synchronous step-down complete power supply, capable of delivering up to 5A of continuous current. Operating from a single 2.6V to 5.5V input power rail and integrating controller, power inductor and MOSFETs, the ISL8205M only requires a few external components to operate and is optimized for space constrained and portable battery operated applications. Based on current mode PWM control scheme, the ISL8205M provides a fast transient response and excellent loop stability as well as a very low duty cycle with an adjustable output voltage as low as 0.6V and better than 1.6% accuracy over line and load conditions. Operation frequency is selectable through an external resistor, with a 1.8MHz default setting, or may be synchronized with an external clock signal up to 3.5MHz. The ISL8205M also implements a selectable PFM mode to improve light-load efficiency and a 100% duty cycle LDO mode to extend battery life. A programmable soft-start reduces the inrush current required from the input supply while an automatic output discharge ensures a soft stop. Dedicated enable pin and power-good flag allow for easy system power rails sequencing. An array of protection features, including input Undervoltage Lockout (UVLO), over-temperature, overcurrent/short-circuit with hiccup mode, overvoltage and negative overcurrent, guarantees safe operations under abnormal operating conditions. The ISL8205M is available in a compact RoHS compliant 22 Ld 4.5x7.5x1.85mm QFN package.

Applied Filters:

The ISL8202M and ISL8205M fully encapsulated power modules share the same architecture but support different output currents. This presentation will give you an overview of the 3A ISL8202M and 5A ISL8205M single-channel DC to DC step-down power modules' feature set, performance, benefits, and applications.

Transcript

3A/5A Single-Channel High Efficiency DC to DC Step-Down Power Modules

Welcome to the ISL8202M and ISL8205M fully encapsulated power management power modules product presentation.

Sharing the same architecture but supporting different output currents, the ISL8202M and ISL8205M are respectively 3A and 5A capable single-channel DC to DC step-down power modules. This presentation will give you a brief overview of the devices’ feature set, performances and benefits as well as the type of applications these modules would naturally fit in.

A Fully Integrated DC to DC Point-of-Load Solution

The ISL8202M and ISL8205M are fully integrated DC to DC point-of-load solutions. They are effectively a complete DC to DC power supply in a single package requiring minimal external components to operate, typically input and output caps and a few resistors or capacitors for setting options such as the output voltage and soft-start timing for instance. A classic point-of-load implementation requires the careful selection of the appropriate controller, gate drivers, power MOSFETs, inductor, as well as surrounding resistors and capacitors in order to meet the performance and size criteria of the point-of-load being designed. Furthermore, the actual board implementation, primarily meaning the PCB layout and component placement, can greatly influence the final point-of-load performances.

By integrating most of these discrete components in a single 4.5mm x 7.5mm package, the ISL8202M and ISL8205M provide two immediate benefits: a more compact design leading to an increased point-of-load power density and a simpler design and usage, leading to a shorter development time. Furthermore, power modules, due to their higher integration and full manufacturer characterization, have predictable and repeatable performances and are less sensitive to individual component variations.

Lastly, board placement is also greatly simplified, as with a mere 1.85mm height, the ISL8202M and ISL8205M can be mounted on the backside of a PCB board freeing up valuable space for topside mounted components.

Key Specifications

Let’s now review some of the key specifications for the ISL8202M and ISL8205M.

Capable of delivering up to 3A and 5A of continuous current respectively, these devices operate from industry standard 3.3V or 5V input power rails or from a traditional lithium-ion battery. Furthermore, they are pin-to-pin compatible solutions providing designers with versatility and an easy migration path to optimize their design should the requirements evolve during the development phase. With a compact 4.5mm x 7.5mm package, they offer high efficiency operations and are optimized for space constrained applications and battery operated equipment.

Although highly integrated, the ISL8202M and ISL8205M provide several configuration settings to optimize operations and performance. In addition to setting the desired output voltage with better than 1.6% accuracy over line, load and temperature, an external resistor and capacitor easily set the desired and optimized switching frequency and soft-start timing to limit and control the start-up in-rush current. Based on a current mode architecture, these devices can also be synchronized to an external master clock signal up to 3.5MHz for a system level electromagnetic compliance design approach.

Achieving a peak of 95%, overall conversion efficiencies are further enhanced at low output currents, by a selectable light load efficiency mode and a 100% duty cycle LDO mode which are greatly beneficial to not only battery operated equipment by extending battery life and operations but also to Energy Star compliant targeted designs.

Dedicated enable and power good flag signals allow for simple power rail system sequencing while an array of protection features, including a short circuit hiccup mode and negative overcurrent protections, guarantees safe and reliable operations under abnormal operating conditions.

Performance

With a default 1.8MHz switching frequency, when tying the FS pin directly to the input voltage rail, the ISL8202M and ISL8205M can be easily configured to operate over a range of 680kHz to 3.5MHz by connecting the FS to ground through a resistor. This flexibility can not only serve to adequately position operations in a specific frequency band when electromagnetic compliance and interference are a concern, but can also be used to optimize efficiencies and transient response for a given conversion ratio and output current load step. The latter is a critical feature when powering microcontrollers, FGPAs or DSPs that require burst of power for a short period of processing time. The product datasheets provide data and curves highlighting the optimum frequency selection based on efficiency, transient response and operations stability.

Capable of achieving a peak efficiency of 95%, the ISL8202M and ISL8205M are easily tuned to perform with respectively better than 85% and 80% efficiency over most of their output current range and conversions.

During low output current conditions roughly below 700mA, also known as light load conditions, the ISL8202M and ISL8205M can selectively enter a PFM or pulse skipping mode which reduces the switching losses by effectively reducing the switching frequency and therefore increasing the converter efficiency. But more on that topic in the next slide.

Efficiency

Battery operated equipment, in an effort to maximize battery life, operate in burst modes where full or close to full current load is required for a short period of time before reverting to a standby mode where only a low current load is needed. This is typical of microcontroller and FPGA behavior and can also be found in wall powered equipment when targeting to be Energy Star compliant.

At low output currents, light load conditions, a traditional constant frequency PWM only converter would therefore suffer of a degraded efficiency performance.

The ISL8202M and ISL8205M offer a selectable light load efficiency mode which greatly enhance efficiencies under low current conditions, achieving better than 85% efficiencies.

Selection of the operational mode, PWM only or PWM/PFM mode, for the ISL8202M and ISL8205M is simply achieved by connecting the SYNC pin to either the power rail or to ground. In PWM only mode, operations are maintained at a constant frequency which mitigates any EMI concerns. In this mode and when operating with output currents below about 700mA, switching losses significantly affect the overall conversion efficiencies. Selecting the PWM/PFM mode, however, forces the ISL8202M and ISL8205M to operate in a pulse skipping mode or burst mode when output currents fall below about 700mA. While each pulse is still synchronized to the PWM clock, this mode effectively reduces the resulting operating frequency and greatly improves the light load efficiencies. Monitoring the bottom MOSFET for zero current crossing, the ISL8202M and ISL8205M enter into PFM mode once 16 consecutive cycles are detected. In this mode, the top MOSFET is driven to maintain the output between its nominal value and nominal + 1.2% while the bottom MOSFET is maintained off. PWM operations resumes as soon as the output voltage falls 2.5% below its nominal value.

Further enhancing battery powered operations, the ISL8202M and ISL8205M also implement a 100% duty cycle LDO mode. When the input voltage drops too close to the selected output voltage to maintain regulation, which is typical of battery voltage decaying over time or in between charges, the ISL8202M and ISL8205M will stop switching operations and maintain the top MOSFET fully on for as long as possible, effectively operating as an LDO.

ISL8205M Thermal Performance

Increasing power density in a point-of-load design usually leads to trade offs on size and output current supported with smaller package sizes, typically resulting in a limited thermal dissipation capability and therefore a lower output current supported. This is especially true when considering operations over a wide range of temperature.

One of the key differentiators of the ISL8202M and ISL8205M, and in fact, of all Intersil’s power modules, is their packaging technology. These modules rely on a copper lead frame structure where all components, including power dissipating FETs and inductors, are directly mounted to the lead frame. This technique allows for a direct heat transfer to the PCB; hence, the thermal management is more efficient allowing these devices to run cooler and more efficiently.

The thermal tests, as illustrated in these curves and images, show that the ISL8205M used with its standard evaluation board with no airflow or heat sink attached to it, can safely deliver 4.3A of continuous current at 85°C ambient temperature.

Protection

An array of protection features is included in the ISL8202M and ISL8205M which guarantees safe operations under abnormal or adverse operating conditions.

These protections include undervoltage lockout also known as UVLO, overtemperature, overcurrent or short-circuit, overvoltage, and even negative overcurrent protection.

As mentioned earlier, although highly integrated, the ISL8202M and ISL8205M provide several configuration settings to optimize operations and performance. One of which being the capability to control the ramp-up of the output voltage and therefore limiting the in-rush current. This provides a more reliable and robust design by avoiding current spikes and allows usage of smaller input and output capacitors. With a default 1ms soft-start delay requiring no external components, selecting a different delay is simply achieved by connecting a small capacitor to the SS pin.

The selection of this delay is also critical in the behavior and performance of the overcurrent or short circuit protection. Triggered after a blanking period of 17 consecutive clock cycles, the overcurrent protection implements a hiccup mode which allows the device to attempt a restart every eight soft-start delays. Upon removal of the overcurrent or short circuit condition, operations resume as normal.

Product Positioning and Applications

The ISL8202M and ISL8205M complement an existing line of low voltage fully encapsulated power modules targeted at sub 12A point-of-load designs. They provide pin-to-pin compatible single-channel alternatives to Intersil’s popular ISL8203M, a 3A dual-channel or 6A single-channel power module.

The ISL8202M and ISL8205M offer a single-channel alternative in a smaller footprint while providing a unique set of features targeted at battery powered equipment with the high efficiency, the selectable light load efficiency mode and the 100% duty cycle capability. For higher output currents, the ISL8203M can be paralleled to address 9A or 12A output current loads.

This family of low voltage power modules is adequately suited to portable electronics and handheld devices, high-end electronics such as audio and video receivers, as well as telecom and networking equipment such as home gateways, modems and repeaters.

Collateral

Datasheets, user guides and design files are available for the ISL8202M and ISL8205M.