Skip to main content
Renesas Electronics Corporation

Features

  • Guaranteed 10µA Maximum Quiescent Current Over All Temperature Ranges
  • Wider Operating Voltage Range - 1.6V to 16V
  • Guaranteed Line and Load Regulation Over Entire Operating Temperature Range Optional
  • 1% Output Voltage Accuracy (ICL7663SA)
  • Output Voltage Programmable from 1.3V to 16V
  • Improved Temperature Coefficient of Output Voltage
  • 40mA Minimum Output Current with Current Limiting
  • Output Voltages with Programmable Negative Temperature Coefficients
  • Output Shutdown via Current-Limit Sensing or External Logic Level
  • Low Input-to-Output Voltage Differential

Description

Support is limited to customers who have already adopted these products.

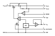
The ICL7663S Super Programmable Micropower Voltage Regulator is a low power, high efficiency positive voltage regulator which accepts 1.6V to 16V inputs and provides adjustable outputs from 1.3V to 16V at currents up to 40mA. It is a direct replacement for the industry standard ICL7663B offering wider operating voltage and temperature ranges, improved output accuracy (ICL7663SA), better temperature coefficient, guaranteed maximum supply current, and guaranteed line and load regulation. All improvements are highlighted in the electrical characteristics section. Critical parameters are guaranteed over the entire commercial and industrial temperature ranges. The ICL7663S/SA programmable output voltage is set by two external resistors. The 1% reference accuracy of the ICL7663SA eliminates the need for trimming the output voltage in most applications. The ICL7663S is well suited for battery powered supplies, featuring 4µA quiescent current, low VIN to VOUT differential, output current sensing and logic input level shutdown control. In addition, the ICL7663S has a negative temperature coefficient output suitable for generating a temperature compensated display drive voltage for LCD displays.

Applications

  • Low-Power Portable Instrumentation
  • Pagers
  • Handheld Instruments
  • LCD Display Modules
  • Remote Data Loggers
  • Battery-Powered Systems

Applied Filters: