Skip to main content
Renesas Electronics Corporation

Features

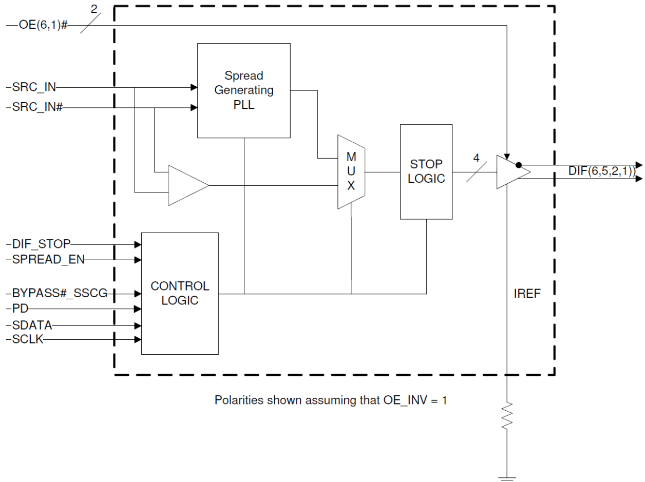
  • 4- 0.7V current-mode differential output pairs
  • Supports Spread Injection mode and fanout mode
  • Two pin selectable down spread amounts: 0.5% and 0.25%
  • 50-110 MHz operation in PLL mode
  • 50-400 MHz operation in Bypass mode
  • Bypass mode
  • Supports undriven differential outputs in PD# and SRC_STOP# modes for power management
  • Output cycle-cycle jitter < 50ps
  • Output to Output skew <50ps
  • Phase jitter: PCIe Gen1 < 86ps peak to peak
  • Phase jitter: PCIe Gen2 < 3.0/3.1ps rms

Description

The 9DS400 is a 4-output PCIe PLL with the ability to inject spread spectrum onto the incoming differential clock, while maintaining good phase noise.

Applied Filters: