Skip to main content

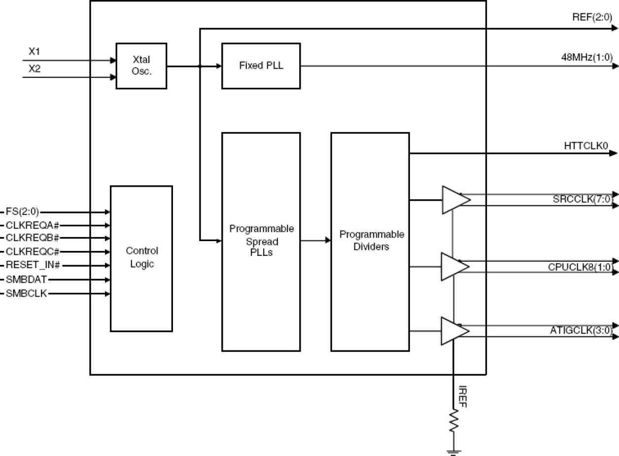
Features

  • 2 - pairs of CPU pairs
  • 8 - pairs of SRC pairs
  • 4 - pairs of ATIG pairs
  • 1 - HyperTransport 66MHz clock seed
  • 2 - 48MHz USB clock
  • 3 - 14.318MHz Reference clock
  • CPU outputs cycle-to-cycle jitter 85ps
  • SRC outputs cycle-to-cycle jitter 125ps
  • ATIG outputs cycle-to-cycle jitter 125ps
  • +/- 300ppm frequency accuracy on CPU, SRC & ATIG clocks
  • 3 - Programmable Clock Request pins for SRC and ATIG clocks
  • ATIGCLKs are programmable for frequency
  • Spread Spectrum for EMI reduction
  • Outputs may be disabled via SMBus
  • External crystal load capacitors for maximum frequency accuracy

Description

The 951462 is a main clock synthesizer chip that provides all clocks required for ATI RS/RD690-based systems. An SMBus interface allows full control of the device.

Applied Filters: