Skip to main content

Features

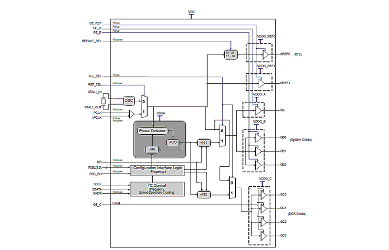
  • Ten LVCMOS clock outputs: four system clocks, four DDR clocks, one RTC output, and one 25MHz reference clock
  • Selectable input reference: crystal oscillator interface or differential LVPECL input
  • Output frequency range: 25MHz to 200MHz
  • Serial interface: I2C programmable
  • Frequency margining in < 0.312MHz steps
  • Spread spectrum for EMI reduction
  • VCO range: 2GHz to 2.4GHz
  • Voltage supply modes:
    Core (VDD, VDDXTAL, VDDA) all core voltages must be identical
    Output (VDDO_A,VDDO_B, VDDO_C, VDDO_REF0, VDDO_REF1)
    Core/Output
    3.3V/3.3V
    3.3V/2.5V
    3.3V/1.8V
    2.5V/2.5V
    2.5V/1.8V
  • Output voltage levels are independently selectable
  • -40 °C to 85 °C ambient operating temperature
  • Lead-free (RoHS 6) packaging

Description

The 840NT4 is a PLL-based clock generator designed to interface with Freescale B4/T4 Processor systems. The clock generator offers low jitter, low-skew clock outputs, frequency margining (0.025MHz to 0.312MHz step granularity), and spread spectrum clocking that meets the ever-growing demands of Freescale’s next-generation processors.

Applied Filters: