Warning message
Please log in or register to access this secure document.
Features
- High system speed 150MHz (3.8ns clock access time)
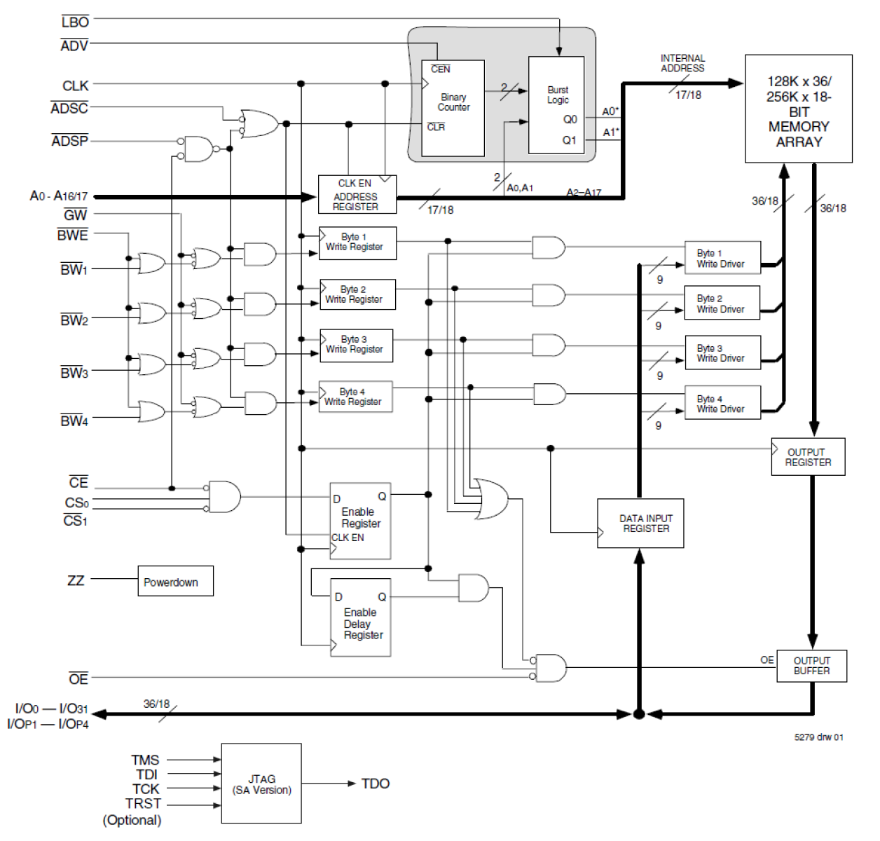
- LBO input selects interleaved or linear burst mode
- Self-timed write cycle with global write control (GW), byte write enable (BWE), and byte writes (BWx)
- 3.3V core power supply
- Power down controlled by ZZ input
- 3.3V I/O
- Available in 100-pin TQFP package
Description
The 71V3576 3.3V CMOS SRAM is organized as 128K x 36. The 71V3576 SRAM contains write, data, address and control registers. The burst mode feature offers the highest level of performance to the system designer, as it can provide four cycles of data for a single address presented to the SRAM.
Parameters
| Attributes | Value |
|---|---|
| Density (Kb) | 4608 |
| Bus Width (bits) | 36 |
| Core Voltage (V) | 3.3 |
| Pkg. Code | PKG100 |
| Organization | 128K x 36 |
| I/O Voltage (V) | 3.3 - 3.3 |
| I/O Frequency (MHz) | 133 - 133, 150 - 150 |
| Temp. Range (°C) | -40 to 85°C, 0 to 70°C |
| Architecture | Synch Burst |
| Output Type | Pipelined |
Package Options
| Pkg. Type | Pkg. Dimensions (mm) | Lead Count (#) | Pitch (mm) |
|---|---|---|---|
| TQFP | 20.0 x 14.0 x 1.4 | 100 | 0.65 |
Applied Filters: