Features
- JEDEC Compliant RCD
- DDR4-1600/1866/2133/2400/2667
- Optimized for JEDEC DDR4 2667 MT/s RDIMM, LRDIMM, and UDIMM
- Designed to be used with the 4DB0226KB (DDR4 DB) and the TSE2004GB2 (DDR4 Temperature Sensor)
- Supports CKE Power Down operation modes
- Support Quad Chip Select Operation
- Direct Dual CS Mode
- Direct QuadCS Mode
- Encoded QuadCS Mode
- Pinout optimized DDR4 RDIMM, LRDIMM, and UDIMM PCB layout
- Provides access to internal control words for configuring the device features and adapting to different RDIMM and system applications
- Available in 253-ball Dual-Pitch (0.50mm/0.65mm), 15 x 20 Grid, Rectangular Ball Grid Array Package
Description
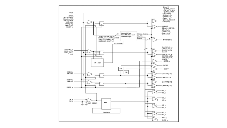
Renesas' JEDEC-compliant 4RCD0229K is a Gen 2 DDR4 registered clock driver (RCD) for Enterprise Class Server RDIMMs, LRDIMMs, and UDIMMs operating with a 1.2V VDD supply. It features a 32-bit 1:2 register command, address buffer with parity designed for 1.2V VDD operation.
Parameters
Attributes | Value |
---|---|
Function | Register + PLL |
Supply Voltage (V) | 1.2 - 1.2 |
SDRAM Type | DDR4 up to 2667 |
Package Options
Pkg. Type | Pkg. Dimensions (mm) | Lead Count (#) | Pitch (mm) |
---|---|---|---|
FCCSP | 13.5 x 8.0 x 1.4 | 253 | 0.65 |
Applied Filters:
Filters
Software & Tools
Sample Code
Simulation Models
A white paper authored by IDT (acquired by Renesas) and Micron details research into memory and bandwidth for today's high-performance servers. LRDIMMS and RDIMMS traditionally have been seen as complementary, with the former targeting applications requiring deeper memory and the latter for applications requiring higher bandwidth.
The introduction of 8-gigabit DRAMS has resulted in a growing number of Internet applications benefiting from both deeper memories and higher bandwidth. This paper shows how 32 GB 2RX4 LRDIMMs transcend similar RDIMMs to meet the needs of today’s data center enterprise servers, by providing an optimal combination of deeper memory and higher data bandwidth, even at mainstream module densities.
Related Resources
Description
IDT DDR4 RCD register and DB data buffer enable RDIMM and LRDIMM to faster speeds and deeper memories. This video helps you understand the DDR4 feature enhancements of IDT's DDR4 RCD and DB compared to earlier DDR3 technology. An introduction to some available LeCroy testing and debug tools complete the video. Presented by Douglas Malech, Product Marketing Manager at IDT, and Mike Micheletti, Product Manager at Teledyne LeCroy. To learn more visit Renesas's Memory Interface Product page.
Transcript