Skip to main content

Features

  • 8-channel LED backlight driver, 65V (max) LED voltage
  • Wide input supply voltage: 9V to 28V
  • LED current:
    • 2D = 200mA
    • 3D = 450mA
  • Integrated current sinks
  • Integrated 10V DC/DC boost controller (10V gate drive) enables use of low cost MOSFETs
  • Patented BroadLED™ technology lowers cost for LED binning
    • Reduces Vf between mismatched LED strings
    • ±2% current matching
  • PWM dimming range: 0% to 100%
  • Comprehensive dimming control:
    • SPI dimming interface with phase shift
    • 8-bit analog dimming
    • Hybrid dimming
    • Supports head- and tail-mode dimming to reduce motion blur and waterfall noise
  • SPI dimming control of each LED string facilitates local dimming
  • Comprehensive protection features
    • Boost controller – Overvoltage, overcurrent, UVLO
    • LED drivers – LED open detection, LED short fault protection, over-temperature shutdown

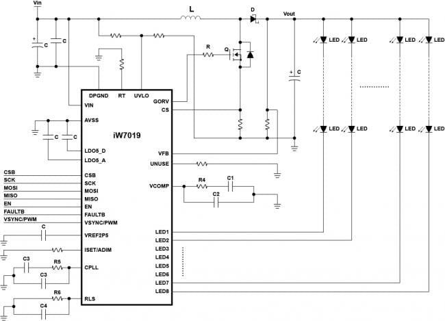
Description

The iW7019 is designed to deliver better screen performance and lower cost in next-generation 2D and 3D LCD TVs. It offers a highly integrated feature set, including a DC/DC boost controller with 10V gate drive, high-voltage current sinks, and Renesas' patented BroadLED™ digital current regulation technology, which enables the use of loosely binned LED arrays for lower BOM cost.

The iW7019 also incorporates comprehensive dimming control, including both head and tail-mode PWM dimming to reduce motion blur; 0% to 100%, 12-bit PWM dimming to improve contrast ratio; 8-bit analog dimming; single direct PWM dimming with phase shift; and hybrid dimming. The comprehensive dimming modes enable precise control of the PWM output position and duty cycle, providing maximum flexibility to support both patterned retarder and shutter glass 3D TV technologies, as well as 2D TV with just one IC.

Applications

  • Direct and segment-edge LED backlit LCD TVs
  • Edge-type global dimming LED backlit LCD TVs
  • 3D patterned retarder (PR) TVs
  • 3D shutter glass (SG) TVs

Applied Filters: