Skip to main content

Features

  • 40Mbps data rate
  • 6kVRMS isolation/1000VRMS working voltage
  • 12.8kV surge immunity
  • 3V to 5V power supplies
  • 20ns propagation delay
  • 5ns pulse skew
  • 50kV/μs (typical), 30kV/μs (minimum) common-mode transient immunity
  • 15kV ESD protection
  • Low EMC footprint
  • Thermal shutdown protection
  • Temperature ranges available
    • -40 °C to +85 °C (EIBZ)
    • -40 °C to +125 °C (EFBZ)
  • Meets or exceeds ANSI RS-485 and ISO 8482:1987(E)
  • PROFIBUS compliant
  • 0.3" true 8mm 16 Ld SOICW package
  • UL 1577 recognized
  • VDE V 0884-10 certified

Description

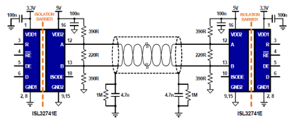
The ISL32741E is a galvanically isolated, high-speed differential bus transceiver, designed for bidirectional data communication on balanced transmission lines. The device uses giant magnetoresistance (GMR) as its isolation technology. The part is available in a 16 Ld SOICW package with true 8mm creepage distance. The ISL32741E is PROFIBUS compliant, including the rigorous PROFIBUS differential output voltage specifications. A unique ceramic/polymer composite barrier provides 6kV reinforced isolation and 44,000 years of barrier life. The device is compatible with 3V and 5V input supplies, allowing an interface to standard microcontrollers without additional level shifting. Current limiting and thermal shutdown features protect against output short circuits and bus contention that may cause excessive power dissipation. Receiver inputs are a full fail-safe design, ensuring a logic high R-output if A/B are floating or shorted.

Applications

  • PROFIBUS-DP and RS-485 networks
  • Factory automation
  • Building environmental control systems
  • Industrial/Process control networks
  • Equipment covered under IEC 61010-1 Edition 3

Applied Filters: