Skip to main content
Renesas Electronics Corporation

Overview

Description

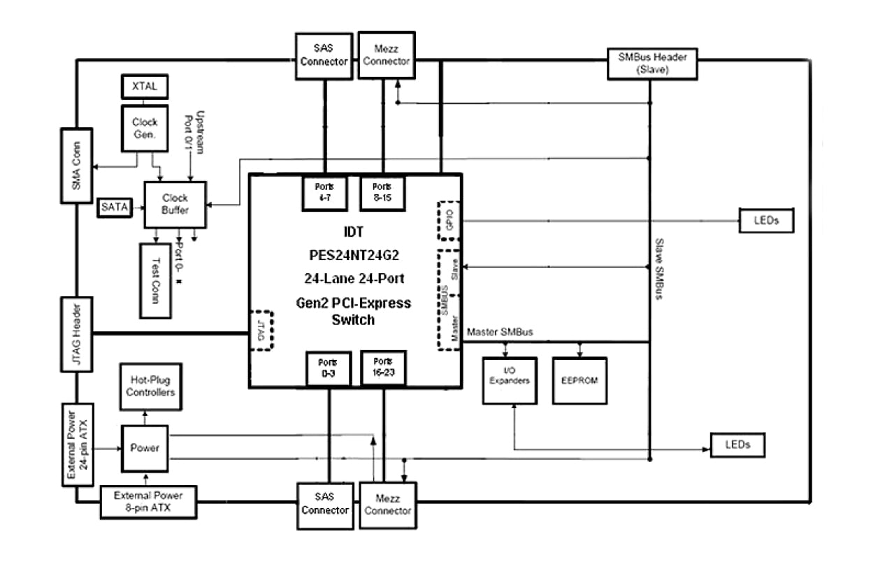
The EB-LOGAN-19 Evaluation Board provides an evaluation platform for the PES24NT24G2 switch and for other members of this switch family including PES16NT16G2 and PES12NT12G2.

Detailed information related to configuration of number of ports and lanes in the switch device can be found in the Device User Manual and the Device Datasheet. The evaluation board, along with additional adapters and daughter boards provided by Renesas, can be configured to test every possible combination of the number of lanes and ports offered by the switch. Advanced capabilities such as switch partitioning, NTB, DMA and local port clocking can be evaluated with the evaluation board. 

The EB-LOGAN-19 brings out all 24 lanes of the device to two Mezzanine connectors and two SAS connectors located close to the device - one connector per stack of 4  lanes. Various types of daughter cards (provided by Renesas) can then be plugged into the Mezzanine  connectors to facilitate connectivity to one x8 or two x4 or four x2 or eight x1 link partners. Link partners may be plugged directly into these daughter cards or they can be connected to these daughter cards via SAS or SATA cables and a different board with PCIe slots known as the 12-PACK board (provided by Renesas). Given that majority of the hosts / servers offer PCIe standard slots, Renesas provides the necessary adapter cards that may be plugged into these host / server slots as well as the cables that connect such adapters to the daughter cards which in turn are plugged into the main evaluation board on which the Renesas PCIe switch device is populated.

Features

  • Hardware
    • PES24NT24G2 PCIe 24-port switch
    • Upstream, Downstream Ports
    • Numerous user selectable configurations set using onboard jumpers and DIP-switches
    • SMBUS Slave Interface (4 pin header)
    • SMBUS Master Interface connected to the Serial EEPROMs through I/O expander
    • Push button for Warm Reset
    • Many LEDs to display status, reset, power, hotplug, etc.
    • JTAG connector to the PES24NT24G2 JTAG pins.
  • Software
    • Installation programs
    • GUI based application for Windows and Linux

Applications

Documentation

Design & Development

Software & Tools

Software Downloads

Product Options

Applied Filters:

Support

Support Communities

Support Communities

Get quick technical support online from Renesas Engineering Community technical staff.
Browse Articles

Knowledge Base

Browse our knowledge base for helpful articles, FAQs, and other useful resources.
Submit a Ticket

Submit a Ticket

Need to ask a technical question or share confidential information?