Renesas’ intelligent, scalable distributed power technology is a power management solution consisting of a main PMIC with communication lines for the connection and control of Renesas’ compact, external, add-on power sources, for increased power output capability. Unlike traditional solutions that require different PMICs for different applications, Renesas’ scalable solution minimizes development time and risk with a single PMIC that can be re-used and re-optimized to support the evolving power requirements of various processor platforms. In addition, the distributed nature of the add-on power sources offers tremendous advantages for point-of-load regulation, circuit board routing, and thermal distribution. Renesas’ innovative approach is an ideal solution for portable multi-core application processors.
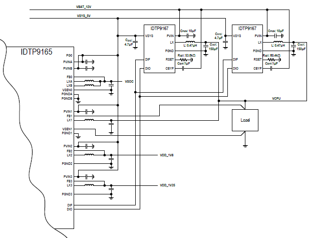
Typical Application Circuit

The circuit above shows a typical application of Renesas’ PMIC and power sources. Unlike Driver-MOSFET (DrMOS) solutions, Renesas’ solution utilizes a proprietary two-wire interface with no sensitive analog feedback traces or individual pulse width modulation (PWM) line connections, offering simplified routing and enhanced control. In addition, the transient currents and voltages of the additional phases are contained to the sources’ immediate areas, helping to minimize EMI and avoid inductive interference.
Currently, up to eight devices can be added to the PMIC’s existing DC/DC switching regulators, offering up to 48A of additional peak current (or 28A of continuous current). Multiple power sources combined with the host PMIC have the ability to activate and shed phases seamlessly while continuously supplying the desired voltage. Other abilities of the external power sources include current limit control, thermal shutdown, and undervoltage lockout.
System Validated by Intel® for Atom™ SoC
Intel selected Renesas as its primary PMIC vendor to deliver a sophisticated and comprehensive system power solution for Atom-SoC platforms, based on intelligent, scalable, distributed power technology. The P9145 is the first PMIC to have undergone system-level validation by Intel and is an ideal solution for next-generation Atom-based SoCs.
Press/Articles
June 24, 2013: Renesas Announces Innovative Power Management Solution Validated for Intel® Atom™ Processor-based Applications