Skip to main content
Renesas Electronics Corporation

Features

  • Wholly integrated 16S front-end for sophisticated high voltage batteries
  • Rugged monolithic device tested to withstand hot plug events and with higher ESD ratings
  • Both internal and external cell balancing supported via internal FETs and dedicated FET driver pins
  • EVK and GUI for easy out of the box evaluation and development
  • Total BOM cost and component count reduced >$1 savings and >20% board space
  • High accuracy ADC for VCELL and IPACK
  • Supports I2C, and SPI communications
  • Integration shortens development time by elimination of component selection, integration, and testing
  • Charging time reduced and up-time maximized by seamless control of external cell balancing FETs
  • High hot plug rating: 62V
  • Charge/load wakeup detection circuitry
  • 4-pin GPIO port
  • Integrated 3.3V regulator
  • 16-bit VCELL and IPACK measurements

Description

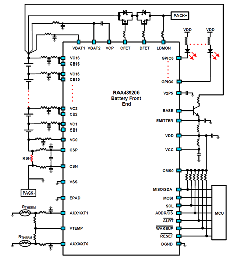
Renesas’ wholly integrated 16-cell battery front end is ideal for challenging industrial environments. The RAA489206 is a 16-cell battery front end (BFE) IC, an essential component of any battery management system (BMS), which periodically scans battery status and the operating environment to optimize battery life and prevent catastrophic failures. A differential multiplexer and 16-bit ADC allows for accurate monitoring of cell voltage, temperature, and load current for management of the overall state of the battery pack.

The RAA489206 supports I2C and SPI protocols allowing customers to connect a microcontroller (MCU) in a proprietary battery management solution. Low current consumption with an average IDLE mode current of 200µA and a SHIP mode current of less than 18µA maximizes the storage and discharge life of a battery pack.

The RAA489206 features internal cell balancing circuitry that provides 8mA of balance current per cell. External cell balancing for higher currents is also supported. This 16-cell high voltage BFE IC is offered in an efficient 64-lead QFN package with a thermal pad.

Parameters

AttributesValue
Cells Supported (#)4 - 16
Pack Voltage (Op)12 - 59
Cell Balancing FETsInternal (Built-in Drivers), External (Built-in Drivers)
Integrated Current Sense/DetectionLow Side
Charge/Discharge FET ControlYes
Charge/Discharge FET ArrangementBoth
Charge/Discharge FET LocationBoth
IS (mA)0.2
Sleep/Reset Mode Current (µA)10
Stand Alone CapableNo
Internal ADC (bits)16
Daisy ChainNo
GPI+GPIOs (#)6
Qualification LevelStandard
Temp. Range (°C)-40 to +85°C

Package Options

Pkg. TypePkg. Dimensions (mm)Lead Count (#)Pitch (mm)
QFN9.0 x 9.0 x 0.85640.5

Application Block Diagrams

Pure Sine Wave Home Inverter with BMS Block Diagram
Pure Sine Wave Home Inverter with BMS
The high-performance sine wave home inverter system provides stable power, reduces costs, and ensures flexibility.
Swappable Battery Charging Kiosk Block Diagram
Swappable Battery Charging Kiosk
Swappable battery charging kiosk for LEVs offers reduced wait times, easy operation, and versatile functionality.

Additional Applications

  • Light electric vehicles such as e-bikes, e-motorcycles, wheelchairs, and mobility scooters
  • Home appliances
  • 24V, 36V, 42V, and 48V portable battery packs
  • Energy storage and 48V UPS systems              
  • Telecom and server farms
  • Solar farms
  • High-voltage industrial power tools
  • Cordless power tools
  • Farm and gardening tools

Applied Filters: