Skip to main content
Renesas Electronics Corporation

FIFO Logic Products

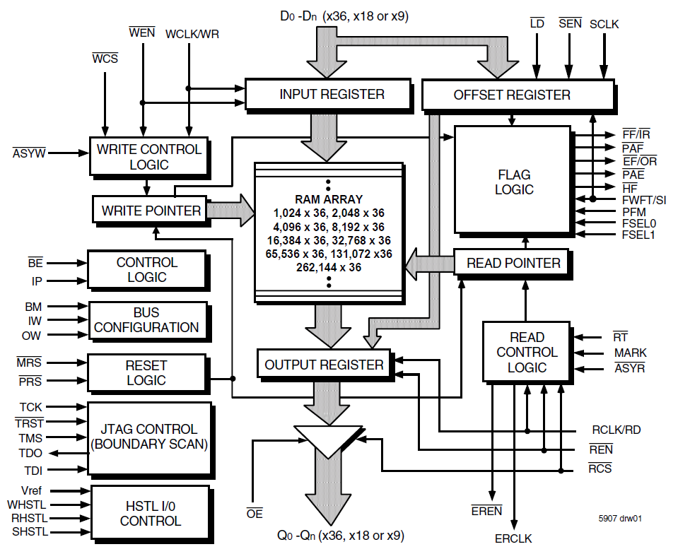
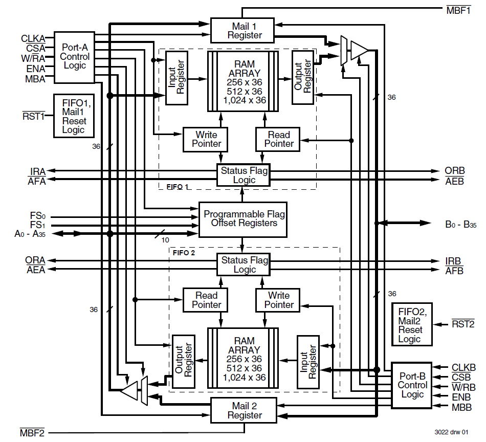
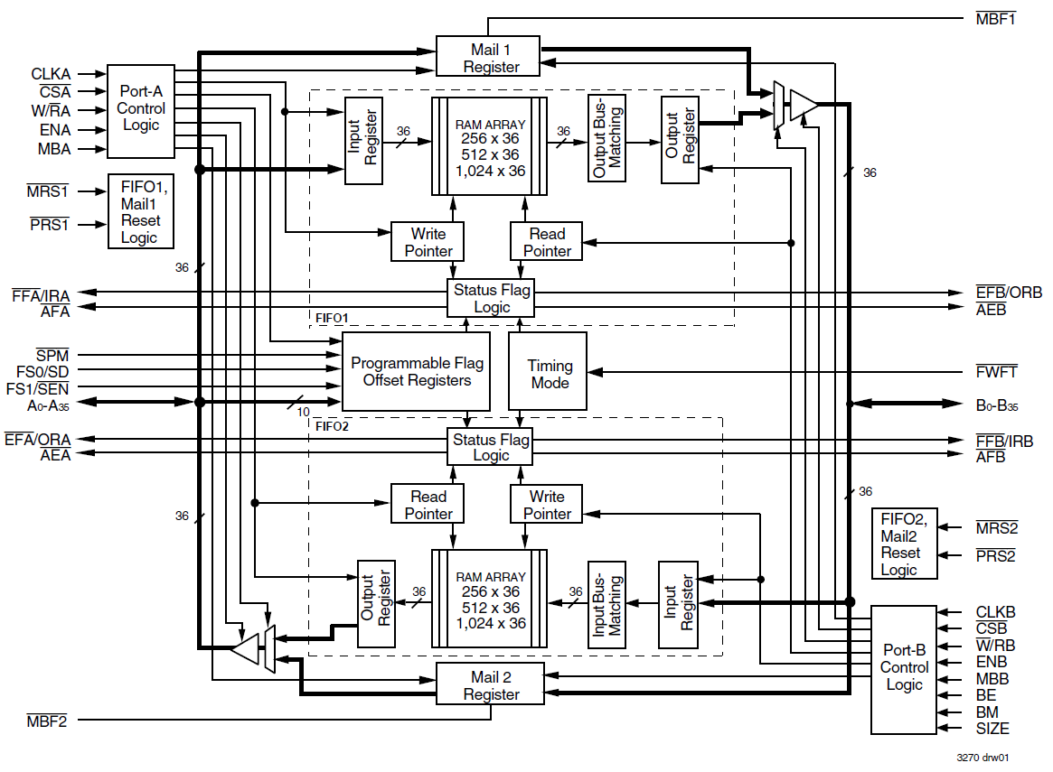
Our market-leading portfolio of first-in, first-out (FIFO) memory solutions includes synchronous and asynchronous options. Renesas FIFO products address complex inter-chip communication challenges, such as rate matching, buffering, and bus matching. With flexible solutions for parallel FIFO structures—enabling custom word sizes and simple serial FIFO links for streamlined integration—we offer versatile tools designed for high-performance applications.

Superior Off-the-Shelf Solutions

Superior Off-the-Shelf Solutions

Ideal for high-performance applications like networking, graphics, medical imaging, data acquisition, and industrial automation

Trusted Military-Grade FIFO Options

Trusted Military-Grade FIFO Options

QML-certified solutions with hermetic package options, including ceramic dual inline, Cerpak, flatpack, and more

Reliable Communication Protocol Support

Reliable Communication Protocol Support

Standard products engineered to solve inter-chip communication issues like rate matching, buffering, and bus matching

Compare All Products

Support

Browse Articles

Knowledge Base

Browse our knowledge base for helpful articles, FAQs, and other useful resources.
Support Communities

Support Communities

Get quick technical support online from Renesas Engineering Community technical staff.