Skip to main content
Renesas Electronics Corporation
Alternative(s) Available
NRND - No Recommended Replacements Available - NRND
  • Notes:The ISL8274M is not recommended for new designs and has no alternative product available.

Features

  • Complete digital power supply
  • 30A/30A dual-channel output current
  • 4.5V to 14V single rail input voltage
  • Up to 95.5% efficiency
  • Programmable output voltage
  • 0.6V to 5V output voltage settings
  • ±1.2% accuracy over line/load/temperature
  • ChargeMode control loop architecture
  • 296kHz to 1.06MHz fixed switching frequency operations
  • No compensation required
  • Fast single clock cycle transient response
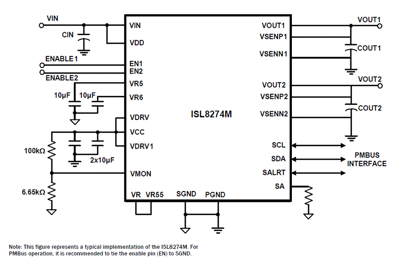
  • PMBus interface and/or pin-strap mode
  • Fully programmable through PMBus
  • Pin-strap mode for standard settings
  • Real-time telemetry for VIN, VOUT, IOUT, temperature, duty cycle, and fSW
  • Advanced soft-start/stop, sequencing, and tracking
  • Internal nonvolatile memory
  • Complete over/undervoltage, current, and temperature protections with fault logging
  • PowerNavigator supported
  • Thermally enhanced 18mmx23mmx7.5mm HDA package

Description

The ISL8274M is a complete PMBus enabled DC/DC, dual-channel, step-down advance power supply, capable of delivering up to 30A per channel and optimized for high power density applications. Operating across an input voltage range of 4. 5V to 14V, the ISL8274M offers adjustable output voltages down to 0. 6V and achieves up to 95. 5% conversion efficiencies. A unique ChargeMode™ control architecture provides a single clock cycle response to an output load step and can support switching frequencies up to 1. 06MHz. The power module integrates all power and most passive components and requires only a few external components to operate. A set of optional external resistors allows the user to easily configure the device for standard operation. For advanced configurations, a standard PMBus interface addresses tasks such as sequencing and fault management, as well as real-time full telemetry and point-of-load monitoring. Additionally, the nonvolatile memory can store the desired custom configuration and settings. A fully customizable voltage, current, and temperature protection scheme ensures safe operation for the ISL8274M under abnormal operating conditions. The device is also supported by the PowerNavigator™ software, a full digital power train development environment. The ISL8274M is available in a low profile, compact 18mmx23mmx7. 5mm fully encapsulated, thermally enhanced HDA package.

Applied Filters: