概要
説明
Renesas Starter Kit+ for RX62Nは、RX62Nマイコン用のユーザフレンドリーな学習/評価ツールです。
同梱エミュレータについて
E1エミュレータは使用部品の EOL(生産終了)に伴い、生産を終了させていただくことになりました。
詳細及び後継品につきましては下記ツールニュースをご確認ください。
【お知らせ】 E1 エミュレータ生産中止予告 (PDF | English, 日本語)
E1を同梱しているRenesas Starter Kitは、引き続きE1を同梱して販売いたします(在庫限り)。同梱エミュレータの変更はありません。
アメリカ合衆国エネルギー省(DoE) CEC Level6 外部電源規制の対象製品についてお知らせ
「アメリカ合衆国エネルギー規制(DOE)CEC LEVEL6 外部電源規制(法令)」に適合しないため、 本製品に付属の日本国内専用ACモジュール電源を米国へ輸出しないでください。
Windows 7(64 ビット版)をご使用のお客様へ
Windows 7(64 ビット版)搭載PCに本製品のインストーラ(バージョン v0301以前)を使用すると、E1エミュレータ用のUSBドライバがインストールされないためE1エミュレータを使用することができません。
お手数ですが、以下の手順に従ってUSBドライバをインストールしてください。
- 最初に本製品に付属インストーラを使用してインストールを完了してください。
- E1エミュレータ製品ページよりRenesas E-Series USBドライバV.1.02 Release00以降をダウンロードしてください。
- ダウンロードしたUSBドライバを実行してインストールを開始してください。
- インストール中にデバイスソフトウェアのインストール確認画面が表示されます。<インストール>ボタンをクリックしてUSBドライバをインストールしてください。
- インストールが完了したら、PCにE1エミュレータを接続してください。USBドライバが自動でインストールされてE1エミュレータが使用できるようになります。
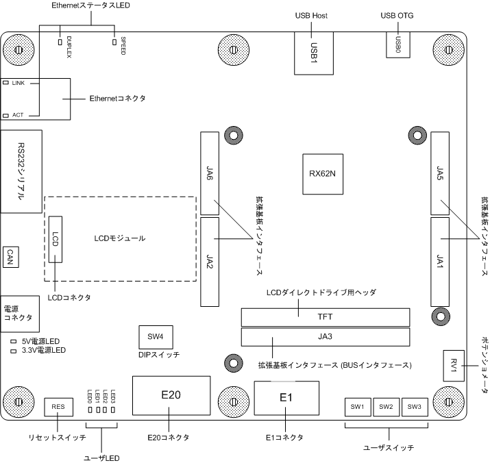
レイアウトと仕様
LCDディスプレイモジュールは、着脱可能なサブボードとしてRenesas Starter Kit+ for RX62Nに同梱されています。ボード寸法は、150 mm x 180 mmです。詳細なボード寸法は、ユーザーズマニュアルをご参照ください。

| 項目 | 仕様 |
|---|---|
| マイコン | R5F562N8BDBG |
| オンボードメモリ | SDRAM (K4S281632I-UC75):128 Mbit |
| I2C EEPROM (AT24C16AN-10SU-2.7):16 Kbit | |
| SPI シリアルフラッシュ (SST25VF016B-50-4C-S2AF):16 Mbit | |
| 入力クロック | メイン:12 MHz |
| サブ:32.768 kHz | |
| Ethernet (for PHY):25 MHz | |
| ポテンショメータ | 単回転タイプ, 10 kΩ |
| LED | 5 V電源用:(緑) x 1 |
| 3.3 V電源用:(緑) x 1 | |
| ユーザ用:(緑) x 1、(橙) x 1, (赤) x 2 | |
| Ethernet Status用:(緑) x 3, (黄) x 1 | |
| スイッチ | リセットスイッチ x 1 |
| ユーザスイッチ x 3 | |
| DIPスイッチ | 4 極 x 1 |
| DC電源コネクタ | 7 V~15 V入力:ジャンパーのJ10とJ11をオープン(デフォルト) |
| 5 V入力:ジャンパーのJ10とJ11をショート | |
| USB電源コネクタ | 5 V入力:2 ピンヘッダ |
| 3.3 V入力:2 ピンヘッダ | |
| E1 コネクタ | 14 ピン ボックスヘッダ |
| E20 コネクタ | 38 ピン Mictorコネクタ |
| USBコネクタ | Host:USB-A |
| OTG:USB-MiniAB | |
| Function:USB-MiniB | |
| RS232 コネクタ | 9 ピン D-sub |
| LCDディスプレイコネクタ | 14 ピン ソケット |
| LCDパネルコネクタ | 2.54 mmピッチ, 50 ピン (TFT) |
| 拡張基板インタフェース | 2.54 mmピッチ, 26 ピン x 2 (JA1, JA2), 24 ピン x 2 (JA5, JA6) |
| BUSインタフェースオプション | 2.54 mmピッチ, 50 ピン (JA3) |
※USB電源コネクタ、E20コネクタ、USBコネクタ(USB-MiniB)、LCDパネルコネクタ、拡張基板インタフェース、バスインタフェースは、製品に付属していません。
※実装しているポテンショメータの仕様は、メーカのサイトを参照してください。
メーカ名:PIHER社 型名:N6シリーズ
製品構成
- CPUボード
- LCDディスプレイモジュール(着脱可)
- ポテンショメータ用調整シャフト(着脱可)
- E1 エミュレータ
- 接続ケーブル(USBケーブル、ユーザインタフェースケーブル)
- 12 V電源(日本国内専用)
- クイックスタートガイド
- CD-ROM
- - ドキュメント :
- ユーザーズマニュアル等
- - 統合開発環境 :
- High-performance Embedded Workshop
- - Cコンパイラ :
- RXファミリ用C/C++コンパイラパッケージ 無償評価版
- - デバッガ :
- E1/E20 エミュレータデバッガ
- RXファミリ用C/C++コンパイラパッケージ無償評価版は、サポート対象外です。また、正規版RXファミリ用C/C++コンパイラパッケージに対し、一部、制限があります。
- E1エミュレータを付属していない製品もご用意しております。オーダ情報を参照してください。
- 試用期間: 60日間
61日以降は、リンクサイズの制限(128 KBまで)あり。
動作環境
- IBM PC/AT互換機(USBインタフェース要) *1
- Intel Pentium Ⅲ 600 MHz以上 *2
- メモリ 128 MB以上
- Microsoft Windows 7/ Windows XP/ Windows Vista *3 (記載のOS以外は対応しておりません)
*1: IBM, PC/ATは米国International Business Machines Corporationの登録商標です。
*2: Pentiumは米国Intel Corporationの商標です。
*3: MS, MS-DOS, Windowsは米国Microsoft Corporationの登録商標です。64 ビット版のWindows Vista®には対応していません。
64 ビット版のWindows 7をご使用になる場合は こちら を参照ください。
注. 製品型名がR0K5562N0S000BEからR0K5562N0S100BEに変わりました。製品内容および構成は従来品と変わりません。
特長
- 付属のE1エミュレータおよび統合開発環境 High-performance Embedded Workshop*1を使用して、コーディングやデバッグを行うことができます。また、Flash Development Toolkitを使用して、ボード上のマイコンのフラッシュROMにプログラムを書き込むこともできます。
- *1:Renesas Starter Kit+ for RX62Nには統合開発環境 High-performance Embedded Workshop用サンプルコードを同梱していますが、統合開発環境CubeSuite+環境でもご使用いただけます。