メインコンテンツに移動
ルネサス エレクトロニクス株式会社 (Renesas Electronics Corporation)

特長

  • Dual Battery Operation
  • Single Additional +5V Supply
  • Low Standby Power Consumption (48V, 35mW)
  • On Hook Transmission
  • Tip and Ring Disconnect
  • Soft or Hard Polarity Reversal
  • Supports 12kHz or 16kHz Pulse Metering
  • Ring Relay Driver
  • On Chip 2-wire AC/DC Loopback
  • 0°C to 70°C or -40°C to 85°C Ambient Temp Range
  • Low External Component Count
  • Pb-Free Available (RoHS Compliant)

説明

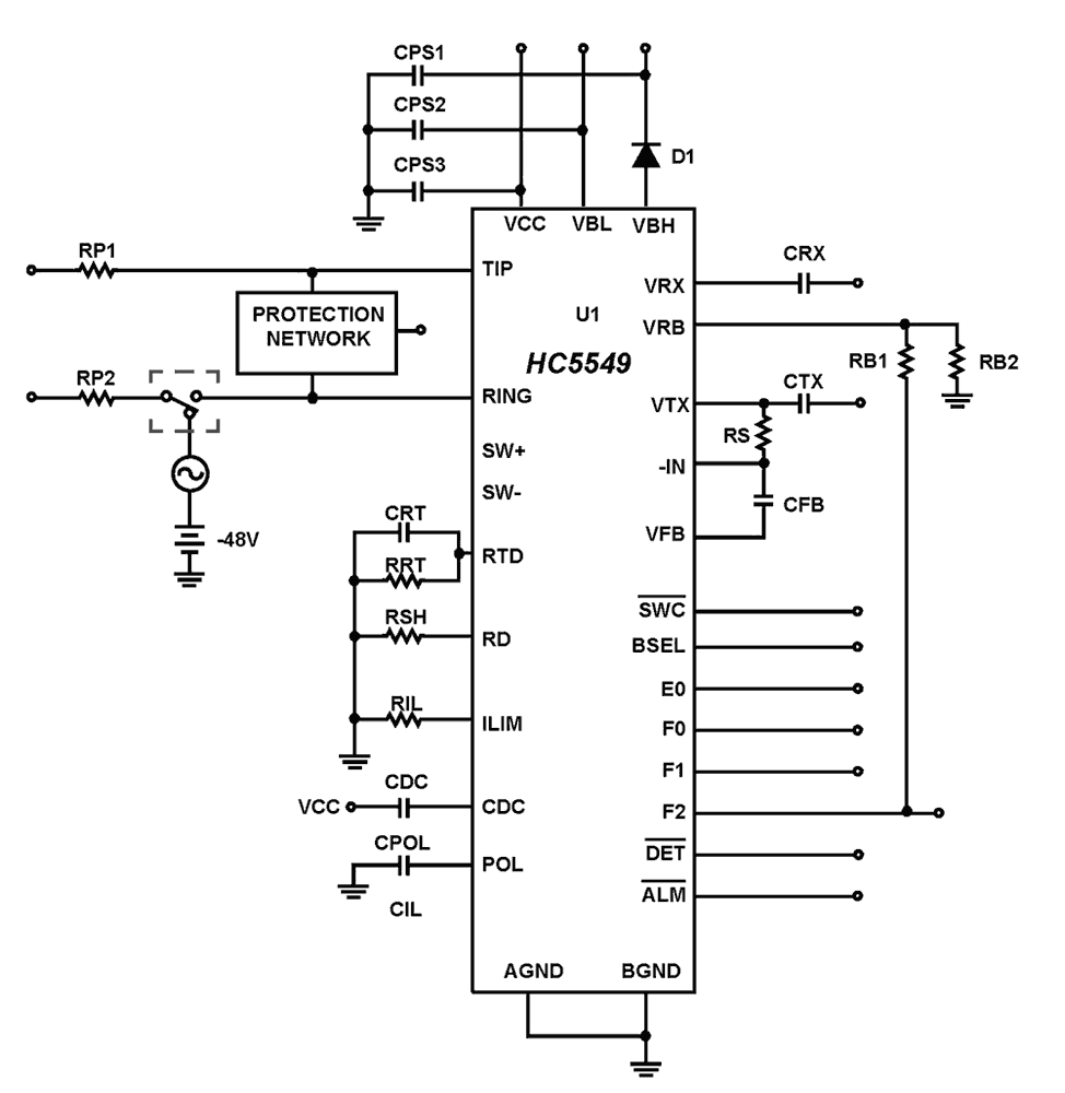
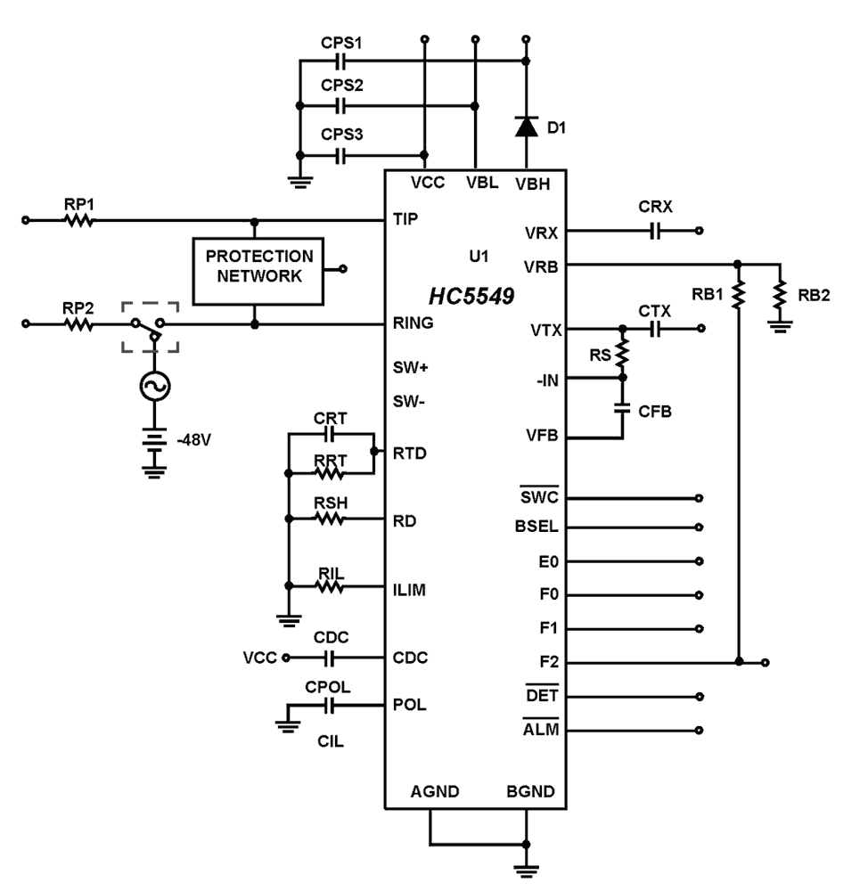
The HC5549 Subscriber line interface circuit is a 100V dielectrically isolated bipolar integrated circuit for use in short loop ISDN, PABX and Pairgain applications. The HC5549 has been optimized for low power as required for battery backed remote terminals or for applications requiring emergency powering from the line such as European ISDN NT1+ designs. A high and low voltage battery supply may be connected to the HC5549 so that power dissipation can be lowered in the off hook condition in these short loop applications. The high battery supply can be used in the on-hook condition to allow interfacing to fax and answering machines that require 48V to detect end of call status. The HC5549 also has a low power standby state with very low power consumption (35mW) resulting in exceptionally low battery drain while providing continued loop supervision. The HC5549 provides loop current, ground key and ring trip detect functions as well as an alarm output to indicate thermal overload. 2-wire to 4-wire and 4-wire to 2-wire conversion is provided and impedance matching is achieved using a single external network. The HC5549 is compatible with dual and single supply switched capacitor or DSP codec/filters.

アプリケーション

  • ISDN NT1+ Terminals
  • Pairgain Remote Termination
  • PABX and Key Systems

適用されたフィルター