メインコンテンツに移動
ルネサス エレクトロニクス株式会社 (Renesas Electronics Corporation)

特長

  • 低消費電力:50µA (Typical)
  • 電源電圧範囲:2.7V〜28V
  • 広いコモンモード入力:0V~28V
  • 固定ゲインバージョン
    • ISL28005-100: 100V/V
    • ISL28005-50: 50V/V
    • ISL28005-20: 20V/V
  • 動作温度範囲: -40℃~+125℃
  • パッケージ:5 Ld SOT-23

説明

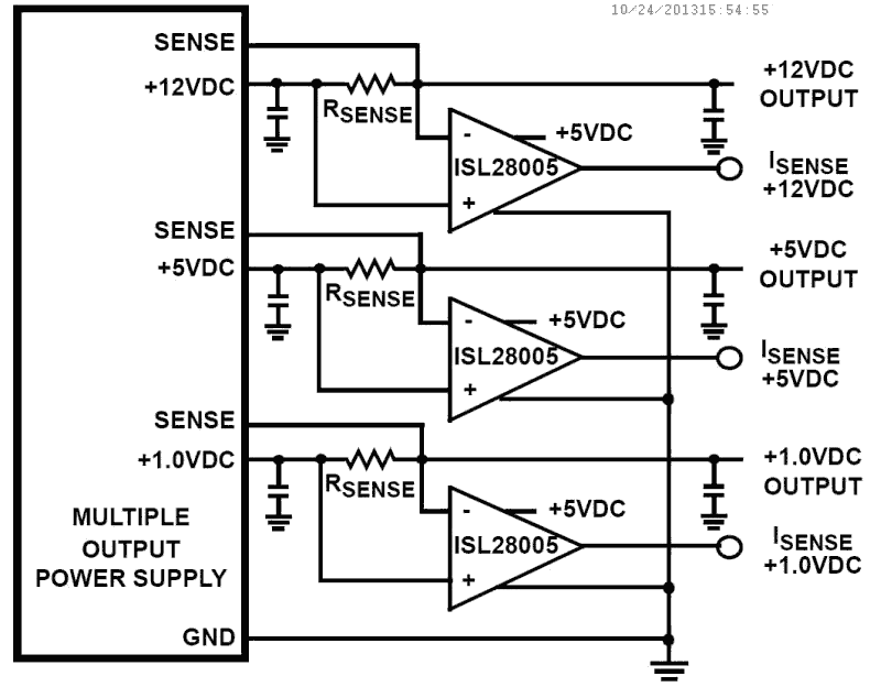
ISL28005はマイクロパワー、単一方向ハイサイドおよびローサイド電流センスアンプで、独自のレール・ツー・レール入力電流センスアンプを搭載しています。通常、センス電圧がアンプの電源電圧よりはるかに高いハイサイド電流センス・アプリケーションに最適です。このデバイスは、2.7Vの低い電源電圧で動作させた場合、28Vという高い電圧を検出することができます。マイクロパワーのISL28005は、2.7V~28Vの電源で動作する場合、消費電流はわずか50µAです。ISL28005は0V~28Vのコモンモード入力電圧範囲を特徴としています。独自のアーキテクチャにより、入力電圧の検出範囲を0Vまで拡張し、ローサイド・グラウンド・センシング・アプリケーションに最適な製品となっています。このアーキテクチャの利点は、0V~28Vのコモンモード入力電圧範囲全体に渡って、高い総合出力精度が維持されることです。ISL28005は固定ゲイン(100V/V、50V/V、20V/V)、省スペースな5Ld SOT-23パッケージで提供され、-40℃から+125℃の拡張温度範囲で動作します。

パラメータ

属性
VS (Min) (V)2.7
VS (Max) (V)28
PSRR (db)105
CMRR (dB)115
Common Mode Input Range (V)28
G (V/V)20 - 20, 50 - 50, 100 - 100
IS per Amp (mA)0.05
Offset Voltage (Max) (mV)0.5
Qualification LevelStandard

パッケージオプション

Pkg. TypePkg. Dimensions (mm)Lead Count (#)Pitch (mm)
SOT232.9 x 1.6 x 0.0051

アプリケーション・ブロック図

Universal NFC Wireless Charger Block Diagram
ユニバーサルNFCワイヤレス充電器
このNFC充電器は、小型のバッテリ駆動デバイスのワイヤレス充電を可能にし、互換性とユーザの利便性を確保します。
Portable Wi-Fi Controlled RGBW Lighting Block Diagram
ポータブルWi-Fi 制御RGBW照明
Wi-Fi制御、USB-C電源、簡単で柔軟な設置を備えたポータブルRGBW照明システム。
Triac-Based Motor Controller Block Diagram
トライアックベースモータコントローラ
トライアックベースのモータコントローラは、コスト効率と信頼性に優れたACモータ制御を提供し、小規模なシステムにも簡単に搭載できます。

その他アプリケーション

  • 電源管理/モニター
  • 安全な配電
  • DC/DC、AC/DCコンバータ
  • バッテリー管理/充電
  • 車載用配電

適用されたフィルター