メインコンテンツに移動
ルネサス エレクトロニクス株式会社 (Renesas Electronics Corporation)

特長

  • Power Conversion
  • Efficient Synchronous Buck Controller
  • Auto Compensating PID Filter
  • Adaptive Light Load Efficiency Optimization
  • 3V to 14V Input Range
  • 0.54V to 5.5V Output Range (with margin)
  • ±1% Output Voltage Accuracy
  • Internal 3A MOSFET Drivers
  • Fast Load Transient Response
  • Current Sharing and Phase Interleaving
  • Snapshot™ Parameter Capture
  • Pb-Free (RoHS Compliant)
  • Digital Soft-start/stop
  • Power-Good/Enable
  • Voltage Tracking, Sequencing and Margining
  • Voltage, Current and Temperature Monitoring
  • I2C/SMBus Interface, PMBus Compatible
  • Output Voltage and Current Protection
  • Internal Non-volatile Memory (NVM)

説明

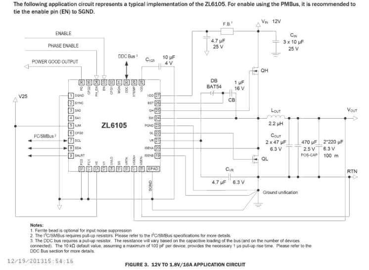
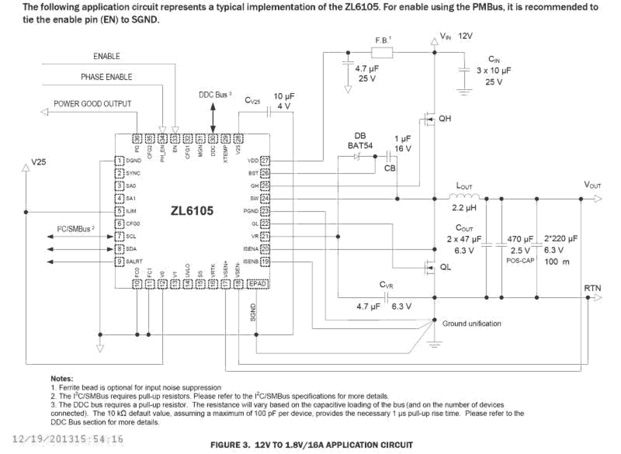
The ZL6105 is a digital power controller with integrated MOSFET drivers. Auto compensation eliminates the need for manual compensation design work. Adaptive performance optimization algorithms improve power conversion efficiency. Zilker Labs Digital-DC™ technology enables a blend of power conversion performance and power management features. The ZL6105 is designed to be a flexible building block for DC power and can be easily adapted to designs ranging from a single-phase power supply operating from a 3. 3V to a multiphase current sharing supply operating from a 12V input. The ZL6105 eliminates the need for complicated power supply managers as well as numerous external discrete components. The ZL6105 uses the I2C/SMBus™ with PMBus™ protocol for communication with a host controller and the Digital-DC bus for communication between Zilker Labs devices. The ZL6105 is pin for pin compatible with the ZL2008. The POLA VOUT table and compensation table have been removed. A new single resistor VOUT table and the Auto Compensation feature have been added.

アプリケーション

  • Servers/Storage Equipment
  • Telecom/Datacom Equipment
  • Power Supply Modules

適用されたフィルター