特長
- 独立した6つのタイミングチャネル
- 150fs RMS以下のジッタ出力(typical)
- DPLL/デジタル制御オシレータ(DCO)は0.5Hz~1GHzの任意の周波数を発生させることができます。
- DCOの出力は、任意のDPLLまたはDCOの出力と位相と周波数を揃えることが可能
- IEEE 1588に対応:
- 位相測定と制御のための精密な(1ps)分解能
- すべての出力/入力をPWMクロック信号のデコード/エンコードに設定可能
- PWMは埋め込みフレームや同期パルス、ToDなどのデータの送受信に使用可能
- リファレンスモニタは、LOS、アクティビティ、周波数モニタ、LOS入力ピンに応じて、リファレンスを適格/不適格にします。
- 自動リファレンス選択ステートマシンは、リファレンスモニタ、優先度表、リバーティブ/非リバーティブ、その他のプログラマブル設定に基づいて、各DPLL用のアクティブリファレンスを選択します
- 水晶オシレータまたは基本波用水晶振動子が必要:25MHz〜54MHz
- 次を介してリセットした後、自動的にデバイスを設定することができます。
- カスタマープログラム可能なワンタイムプログラマブルメモリ内蔵
- I2Cマスターポート経由で外部I2C EPROMを標準装備
説明
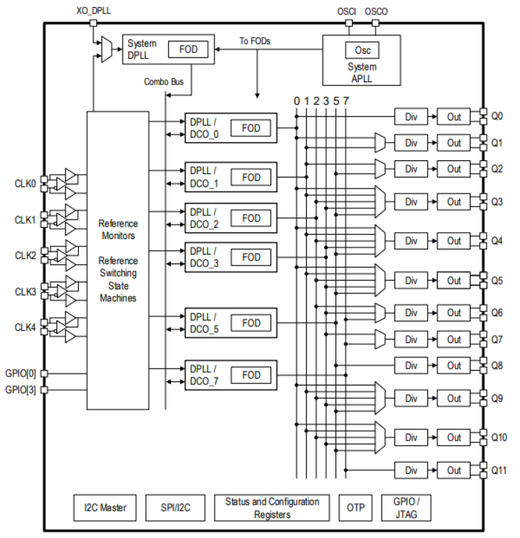
RC38612 RANシンクロナイザは、システム内の他の場所でIEEE 1588および同期イーサネット(SyncE)基準ソースにロックされた超低ジッターの精密タイミング信号を再生成し、配信します。 デバイスはワイヤレスベースバンド、DU、CU、RU、フロントホールまたはバックホールネットワーク上のIEEE 1588タイムスタンプユニット(TSU)とSyncEポートを正確に同期させるために使用することができます。 デジタルPLL(DPLL)は、冗長なタイミングソースからの参照間のヒットレスリファレンススイッチングに対応しています。 このデバイスは、バックプレーン間や回路基板間のクロック伝搬遅延を積極的に測定・補正し、システム内のIEEE 1588タイムスタンプユニット(TSU)間で時間誤差を最小限に抑えた正確な時刻と位相を確実に配信するために使用することが可能です。
このデバイスのファミリは複数の独立したタイミングチャネルをサポートしています。このサポートには、IEEE 1588クロックの合成、SyncEクロックの生成、ジッタの減衰、コンバータのSYSREF生成を含む無線クロックの生成があります。 入力から入力、入力から出力、出力から出力の位相スキューをすべて正確に管理できます。 デバイスは最大28GbpsのSERDES、CPRI/OBSAI、SONET/SDH ADC/DAC、IEEE 1588 TSUなどを直接同期させることができる超低ジッタークロックを出力します。
この製品ファミリの他のデバイスについては、ClockMatrix Timing Solutionsのページをご覧ください。
パラメータ
| 属性 | 値 |
|---|---|
| Diff. Outputs | 12 |
| Output Freq Range (MHz) | 5.0E-7 - 1000 |
| Diff. Inputs | 5 |
| Supply Voltage (V) | 3.3 - 3.3, 2.5 - 2.5, 1.8 - 1.8 |
| Output Type | HSTL, LVCMOS, LVDS, LVHSTL, LVPECL, LVTTL |
| Battery Backup | No |
| Battery Seal | No |
| CPU Supervisory Function POR | No |
| Crystal Frequency Trimming | No |
| Frequency Out Pin | No |
| Inputs (#) | 10 |
| Input Freq (MHz) | 0.001 - 1000 |
| DPLL Channels (#) | 6 |
| JESD204B/C Compliant | Yes |
| Adjustable Phase | Yes |
| Noise Floor (dBc/Hz) | -158 |
| Phase Noise Supports GSM | No |
| Synthesis Mode | Fractional, Integer |
| Input Ref. Divider Resolution (bits) | 4 |
| Feedback Divider Resolution (bits) | 48 |
| Output Divider Resolution (bits) | 32 |
| Input Redundancy | Input Monitor, Digital holdover, Hitless switch, Phase-slope limiting |
| Channels (#) | 6 |
| 105°C Max. Case Temp. | 0 |
| Function | Multi-channel DPLL / DCO |
| Input Type | HCSL, LVDS, LVHSTL, LVPECL, SSTL |
| Output Banks (#) | 6 |
| Core Voltage (V) | 2.5V, 3.3V |
| Output Voltage (V) | 1.2V, 1.5V, 1.8V, 2.5V, 3.3V |
| Product Category | ClockMatrix, JESD204B/C, IEEE 1588, Ultra-Low Jitter Clocks (<300 fs RMS), Jitter Attenuators, Network Synchronization, Programmable Clocks |
パッケージオプション
| Pkg. Type | Pkg. Dimensions (mm) | Lead Count (#) | Pitch (mm) |
|---|---|---|---|
| VFQFPN | 10.0 x 10.0 x 1.0 | 72 | 0.5 |
アプリケーション・ブロック図
| RRU向け eCPRI大規模MIMO eCPRI MIMO RRU は、5G ネットワーク向けの低位相ノイズ、確定的遅延、高タイミング精度を実現します。 |
適用されたフィルター