特長
- Single 3.3V supply: 3.3V ± 0.3V
 - Access time: 12ns (max)
 - Completely static memory, no clock or timing strobe required
 - Equal access and cycle times
 - Directly TTL compatible, all inputs and outputs
 - Operating current: 100mA (max)
 - TTL standby current: 40mA (max)
 - CMOS standby current: 5mA (max)
 
説明
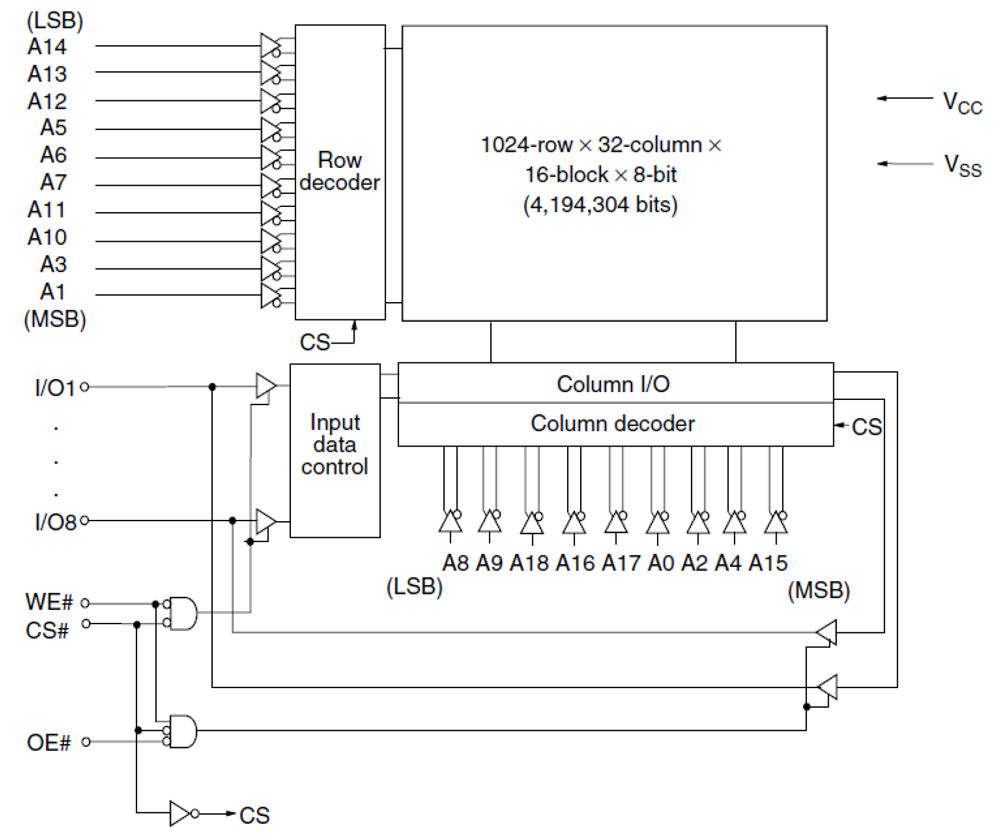
The R1RW0408DI is a 4Mbit high-speed static RAM organized as 512-kword × 8-bit. It realizes high-speed access time by employing the CMOS process (6-transistor memory cell) and high-speed circuit design technology. It is most appropriate for applications that require high-speed, high-density memory and a wide bit width configuration, such as cache and buffer memory in systems. The R1RW0408DI is packaged in a 400-mil 36-pin SOJ for high-density surface mounting.
パラメータ
| 属性 | 値 | 
|---|---|
| Density (Kb) | 4096 | 
| Bus Width (bits) | 8 | 
| Core Voltage (V) | 3.3 | 
| Organization | 512K x 8 | 
| I/O Voltage (V) | 3.3 | 
| Access Time (ns) | 12 | 
パッケージオプション
| Pkg. Type | Pkg. Dimensions (mm) | Lead Count (#) | 
|---|---|---|
| SOJ | 23 x 10 x 3.55 | 36 | 
適用されたフィルター
読込中