メインコンテンツに移動

特長

  • High Speed USB Switching
  • Low 4.0pF (typ) On Capacitance
  • Low 4.0Ω (typ) On Resistance
  • Low 0.5Ω (typ) On Resistance Flatness
  • 4.5V to 5.5V Supply Range
  • Low Supply Current
  • Automatic Current-Limit Switch Control
  • Automatic USB Charger Identification Circuit
  • CDP Support (active USB 2.0 data communication with 1.5A charging)
  • Apple iPad* @ 2A charging current support
  • Automatic CDP/SDP mode support with SMART-CDP=1 for "Always Data Communication"
  • Chinese Telecom Standard YD/T 1591-2009 specification support
  • Samsung Galaxy Tab** charge scheme support
  • Pb-Free / RoHS Compliant / Halogen-Free
  • TDFN-8 Package

説明

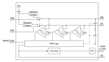
The SLG55593A is a USB device that combines high speed USB switches with a USB host charger (dedicated charger) identification circuit. The device supports both the latest USB Battery Charging Specification Revision 1.2 including data contact detection and a set resistor bias for Apple* compliant devices as well as legacy USB D+/D- short detection using data line pull-up. The SLG55593A can also support CDP mode (FAST charging and data communication available mode if smartphone can support CDP mode.) The SLG55593A can also support low speed / full speed mouse/keyboard wake-up from S3 mode.

アプリケーション

  • USB Ports/Hubs
  • Notebook PCs
  • Power bank
  • Car charger
  • Universal Wall Charging Adapter

適用されたフィルター