メインコンテンツに移動
ルネサス エレクトロニクス株式会社 (Renesas Electronics Corporation)

特長

  • Integrates two high performance LDOs
  • VO1 - 150mA output
  • VO2 - 300mA output
  • Excellent transient response to large current steps
  • Excellent load regulation: 1% voltage change across full range of load current
  • High PSRR: 70dB @ 1kHz
  • Wide input voltage capability: 2.3V to 6.5V
  • Extremely low quiescent current: 45µA (both LDOs on)
  • Low dropout voltage: typically 120mV @ 150mA
  • Low output noise: typically 30µVRMS @ 100µA (1.5V)
  • Stable with 1 to10µF ceramic capacitors
  • Separate enable pins for each LDO
  • POR output, with adjustable delay time indicates when the VO2 output is good
  • Soft-start to limit input current surge during enable
  • Current limit and overheat protection
  • ±1.8% accuracy over all operating conditions
  • Tiny 10 Ld 3x3mm DFN package
  • -40°C to +85°C operating temperature range
  • Pin compatible with Micrel MIC2212
  • Pb-free (RoHS compliant)

説明

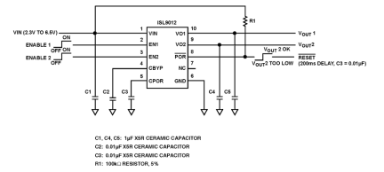
ISL9012 is a high performance dual LDO capable of sourcing 150mA current from Channel 1, and 300mA from Channel 2. The device has a low standby current and high-PSRR and is stable with output capacitance of 1µF to 10µF with ESR of up to 200mΩ. The device integrates a Power-On-Reset (POR) function for the VO2 output. The POR delay for VO2 can be externally programmed by connecting a timing capacitor to the CPOR pin. A reference bypass pin is also provided for connecting a noise-filtering capacitor for low noise and high PSRR applications. The quiescent current is typically only 45µA with both LDO's enabled and active. Separate enable pins control each individual LDO output. When both enable pins are low, the device is in shutdown, typically drawing less than 0. 1µA. Several combinations of voltage outputs are standard. Output voltage options for each LDO range from 1. 5V to 3. 3V. Other output voltage options are available on request.

アプリケーション

  • PDAs, Cell Phones and Smart Phones
  • Portable Instruments, MP3 Players
  • Handheld Devices including Medical Handhelds

適用されたフィルター