特長
- Wide Input Voltage Range 5.5V to 25V
- Dual Fixed 1.05V/3.3V and 1.5V/5.0V Outputs or Adjustable 0.7V to 5.5V (SMPS1) and 0V to 2.5V (SMPS2), ±1.5% Accuracy
- Secondary Feedback Input (Maintains Charge Pump Voltage)
- 1.7ms Digital Soft-Start and Independent Shutdown
- Fixed 3.3V/5.0V, or Adjustable Output 0.7V to 4.5V, ±1.5% (LDO): 200mA
- 3.3V Reference Voltage ±2.0%: 5mA
- 2.0V Reference Voltage ±1.0%: 50µA
- Constant ON-time Control with 100ns Load-Step Response
- Frequency Selectable
- rDS(ON) Current Sensing
- Programmable Current Limit with Foldback Capability
- Selectable PWM, Skip or Ultrasonic Mode
- BOOT Voltage Monitor with Automatic Refresh
- Independent POK1 and POK2 Comparators
- Soft-Start with Pre-Biased Output and Soft-Stop
- Independent ENABLE
- High Efficiency - up to 97%
- Very High Light Load Efficiency (Skip Mode)
- 5mW Quiescent Power Dissipation
- Thermal Shutdown
- Extremely Low Component Count
- Pb-Free (RoHS Compliant)
説明
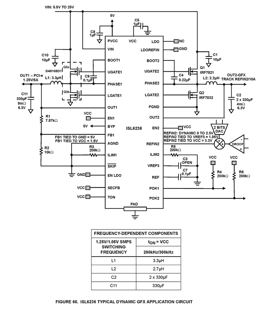
The ISL6236 dual step-down, switch-mode power-supply (SMPS) controller generates logic-supply voltages in battery-powered systems. The ISL6236 include two pulse-width modulation (PWM) controllers, 5V/3.3V and 1.5V/1.05V. The output of SMPS1 can also be adjusted from 0.7V to 5.5V. The SMPS2 output can be adjusted from 0V to 2.5V by setting REFIN2 voltage. An optional external charge pump can be monitored through SECFB. This device features a linear regulator providing 3.3V/5V, or adjustable from 0.7V to 4.5V output via LDOREFIN. The linear regulator provides up to 100mA output current with automatic linear-regulator bootstrapping to the BYP input. When in switchover, the LDO output can source up to 200mA. The ISL6236 includes on-board power-up sequencing, the power-good (POK) outputs, digital soft-start, and internal soft-stop output discharge that prevents negative voltages on shutdown. A constant ON-time PWM control scheme operates without sense resistors and provides 100ns response to load transients while maintaining a relatively constant switching frequency. The unique ultrasonic pulse-skipping mode maintains the switching frequency above 25kHz, which eliminates noise in audio applications. Other features include pulse skipping, which maximizes efficiency in light-load applications, and fixed-frequency PWM mode, which reduces RF interference in sensitive applications.
アプリケーション
- Notebook and Sub-Notebook Computers
- PDAs and Mobile Communication Devices
- 3-Cell and 4-Cell Li+ Battery-Powered Devices
- DDR1, DDR2 and DDR3 Power Supplies
- Graphic Cards
- Game Consoles
- Telecommunications
適用されたフィルター
 
