メインコンテンツに移動
ルネサス エレクトロニクス株式会社 (Renesas Electronics Corporation)

特長

  • 効率>90%
  • 2.0A、200mΩパワーMOSFET
  • 2.3V〜5.5V入力
  • 1.1 * VIN 最大 25V 出力
  • 600kHz/1.2MHzのスイッチング周波数選択
  • 調整可能なソフトスタート
  • 内部熱保護
  • 最大高さ1.1mm 8 Ld MSOPパッケージ
  • 鉛フリー(RoHS指令準拠)
  • ハロゲンフリー

説明

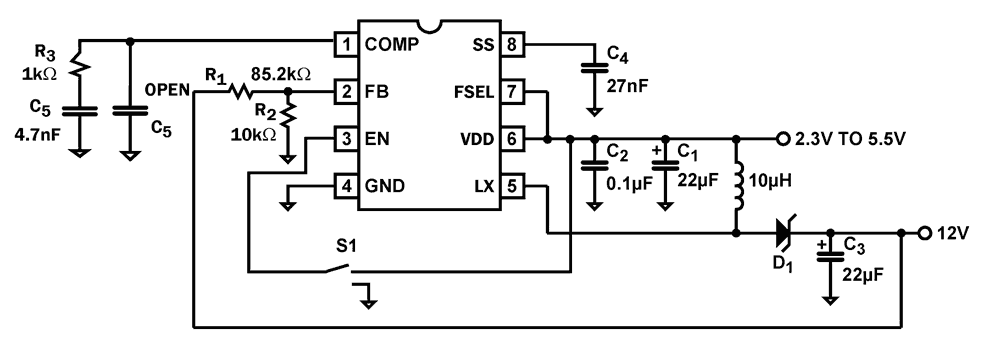
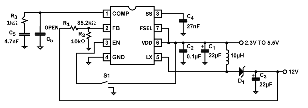
ISL97519Aは、固定周波数PWMモードで動作する高周波、高効率の昇圧電圧レギュレータです。 内部2.0A、200mΩ MOSFETは、90%以上の効率で最大1Aの出力電流を供給できます。 600kHzと1.2MHzの2つの選択可能な周波数により、部品の小型化と高速な過渡応答が可能です。 外部補償ピンにより、周波数補償の設定の柔軟性が向上し、低ESRのセラミック出力コンデンサを使用できます。 シャットダウン時には1μAの電流で、最低2.3Vの入力電源まで動作可能です。れらの機能は、1.2MHzのスイッチング周波数により、ポータブル機器やTFT-LCDディスプレイに最適なデバイスです。 ISL97519Aは、最大高さ1.1mmの8LdMSOPパッケージで供給されます。このデバイスは、-40°C〜+ 85°Cの全温度範囲での動作が規定されています。

アプリケーション

  • TFT-LCDディスプレイ
  • DSL モデム
  • PCMCIA カード
  • デジタル・カメラ
  • GSM/CDMA 電話
  • ポータブル機器
  • ハンドヘルドデバイス

適用されたフィルター