| CADモデル: | View CAD Model |
| Pkg. Type: | VFQFPN |
| Pkg. Code: | NQG84 |
| Lead Count (#): | 84 |
| Pkg. Dimensions (mm): | 7.0 x 7.0 x 0.8 |
| Pitch (mm): | 0.5 |
| Moisture Sensitivity Level (MSL) | 3 |
| Pb (Lead) Free | Yes |
| ECCN (US) | |
| HTS (US) |
| Lead Count (#) | 84 |
| Carrier Type | Tray |
| Moisture Sensitivity Level (MSL) | 3 |
| Qty. per Reel (#) | 0 |
| Tape & Reel | No |
| Qty. per Carrier (#) | 260 |
| Pb (Lead) Free | Yes |
| Pb Free Category | e3 Sn |
| Temp. Range (°C) | -40 to 85°C |
| Advanced Features | Scalable output current, Programmable Sequencing, Analog to digital converter (ADC), Real-time clock module |
| Comm. Interface | I2C, DIF/DIO |
| Function | System PMIC |
| GPIOs (#) | 8 |
| Input Voltage (Max) (V) | 5.25 |
| Input Voltage (Min) (V) | 2.7 |
| Input Voltage Range (V) | 2.7 - 5.25 |
| LDOs | 11 |
| Length (mm) | 7 |
| MOQ | 260 |
| Output Voltage (V) | 0.75 |
| Package Area (mm²) | 49 |
| Parametric Category | Multi-Channel Power Management ICs (PMICs) |
| Pitch (mm) | 0.5 |
| Pkg. Dimensions (mm) | 7.0 x 7.0 x 0.8 |
| Pkg. Type | VFQFPN |
| Prog. Interface | TSPI |
| Requires Terms and Conditions | Does not require acceptance of Terms and Conditions |
| Supply Voltage (V) | 2.7 - 5.25 |
| Switching Frequency (MHz) | 2.1 - 2.1 |
| Switching Regulators | 5 |
| Thickness (mm) | 0.8 |
| Width (mm) | 7 |
| 掲載 | No |
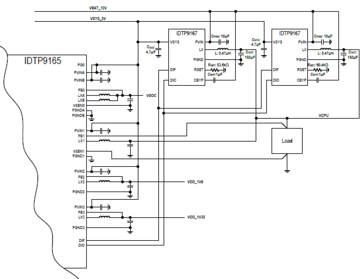
The IDT P9165 is a programmable, multi-channel power management IC (PMIC). It includes 5 integrated, synchronous, step-down DC/DC regulators, 11 LDOs, flexible sequencing, a Real Time Clock (RTC), a 10-bit ADC, eight GPIOs, and a high speed I2C interface. The product is ideal for multi-core SoCs, ASICs, FPGAs and other multi-rail applications and is specifically designed to support the power management requirements of mobile multi-core processor platforms. The P9165 supports the connection of up to eight P9167 distributed power units (DPUs) to efficiently scale the total peak output current of the DCD1. The distributed power units offer advantages for ease-of-routing, and heat distribution.