概要
説明
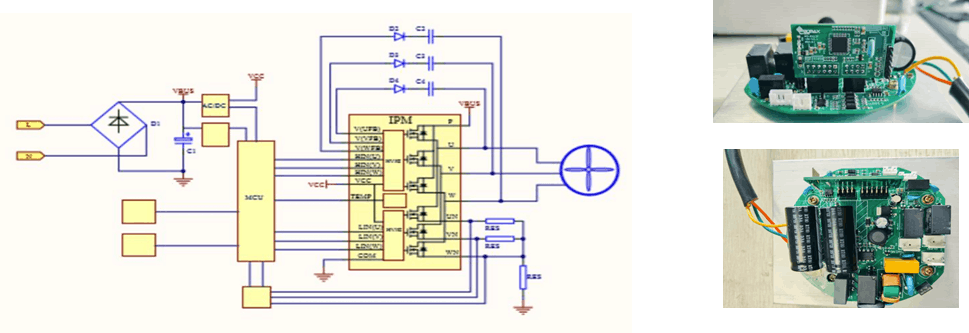
Priomax develops a turn-key solution for industrial electronically commutated (EC) fan motor control based on Renesas RX13T MCUs. By using the RX13T high-performance core, flexible motor control timers, and advanced analog features, the solution can drive permanent magnet brushless DC motors at maximum 12Krpm. Users can take the hardware design materials and firmware as reference, shorten R&D period, and catch up to launch end products in the market. Also offering test demonstration units, functional customization services, DC motors, and permanent magnet motors.
特長
- Main Control Platform: RX13T R5F513TADFL
- Target Motor: 3-phase permanent magnet brushless DC motor
- Control Method: sensorless FOC
- Control Mode: constant speed, constant torque, constant power, constant air volume
- Voltage Level: 220Vac / 380Vac / DC 310V / DC 110V
- Power Range: 0.4-7.5KW, reserved power factor adjustment function
- Speed Range: 300-12000 rpm
- VSP/PWM Speed Regulation: support VSP (0-10V) signal speed regulation, compatible with OWM (0-100%, frequency 1-10K) speed regulation, signal isolation, safety assurance
- Technology Features: start control, high-speed operation, electronic brake, brake stop, etc.


