メインコンテンツに移動
ルネサス エレクトロニクス株式会社 (Renesas Electronics Corporation)

特長

  • >90% Efficiency
  • 2.0A, 200mΩ Power MOSFET
  • 2.3V to 5.5V Input
  • 1.1*VIN to 25V Output
  • 600kHz/1.2MHz Switching Frequency Selection
  • Adjustable Soft-Start
  • Internal Thermal Protection
  • 1.1mm Max Height 8 Ld MSOP Package
  • Pb-free (RoHS compliant)

説明

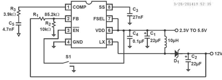
The ISL97516 is a high frequency, high efficiency step-up voltage regulator operated at constant frequency PWM mode. With a 2. 0A typical switch current limit and 200mΩ MOSFET, it can deliver over 90% efficiency. The selectable 600kHz and 1. 2MHz allows smaller inductors and faster transient response. An external compensation pin gives the user greater flexibility in setting frequency compensation allowing for the use of low ESR Ceramic output capacitors. When shut down, it draws <1µA of current and can operate down to 2. 3V input supply. These features along with 1. 2MHz switching frequency make it an ideal device for portable equipment and TFT-LCD displays. The ISL97516 is available in an 8 Ld MSOP package with a maximum height of 1. 1mm. The device is specified for operation over the full -40°C to +85°C temperature range.

アプリケーション

  • TFT-LCD displays
  • DSL modems
  • PCMCIA cards
  • Digital cameras
  • GSM/CDMA phones
  • Portable equipment
  • Handheld devices

適用されたフィルター