特長
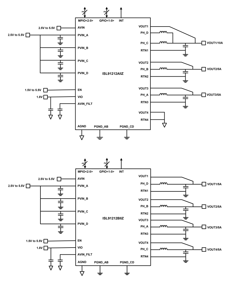
- Triple output 2+1+1 phases (ISL91212A) or quad output 1+1+1+1 single phase (ISL91212B)
- 2.5V to 5.5V supply voltage
- 5A per phase output current capability
- Small solution size (7x10mm2 for 4-phase design)
- High efficiency (94.7% for 3.8VIN/1.8VOUT)
- Low IQ in low power mode
- Patented control scheme reduces output capacitor and supports fast load transient (such as 50A/μs per phase)
- ±0.7% system accuracy, remote voltage sensing
- Programmable PWM frequency from 2MHz to 6MHz
- I2C programmable output from 0.3V to 2V
- Independent Dynamic Voltage Scaling (DVS) for each output
- Soft-start and fault detection (UV, OV, OC, OT), short-circuit protection
- 2.551mmx3.67mm 35 ball WLCSP with 0.5mm pin pitch
説明
The ISL91212A is a four-phase, three output programmable Power Management IC (PMIC) and the ISL91212B is a four-phase, four output programmable PMIC. They are optimized with highly efficient synchronous buck converters capable of multiphase and single-phase operations that can deliver up to 5A per phase continuous output current. They feature four buck controllers and can reconfigure their power stages to these controllers. This flexibility allows seamless design-in for a wide range of applications that require high output power and small solution size. The ISL91212A and ISL91212B integrate low ON-resistance MOSFETs and programmable PWM frequency, allowing the use of very small external inductors and capacitors. They feature automatic Diode Emulation and Pulse Skipping modes under light-load conditions to further improve efficiency and maximize battery life. The ISL91212A and ISL91212B deliver a highly robust power solution by featuring a controller based on the proprietary Renesas R5 Technology, which provides tight output accuracy and load regulation, ultra-fast transient response, seamless DCM/CCM transitions, and requires no external compensation. In addition to standard interrupt and chip enable functions, the ISL91212A and ISL91212B feature three MPIOs and two GPIOs capable of supporting the I2C communication protocol and various other pin mode functions.
パラメータ
| 属性 | 値 |
|---|---|
| Function | 4-ch PMIC |
| Qualification Level | Standard |
| Outputs (#) | 4 |
| Input Voltage (Min) (V) | 2.5 |
| Input Voltage (Max) (V) | 5.5 |
| Output Current Max (A) | 10 |
| Battery Interface | No |
| Integrated Battery Charger | No |
| USB-Power Management | No |
| Switching Frequency (MHz) | 2 - 2 |
| GPIOs (#) | 2 |
| Bus Voltage (Max) (V) | 5.5 |
| Integrated step-down DC/DC Converter Channels (#) | 3 |
| Step-up DC/DC converter Channels (#) | 0 |
| Total step-down DC/DC converter channels (#) | 3 |
パッケージオプション
| Pkg. Type | Pkg. Dimensions (mm) | Lead Count (#) | Pitch (mm) |
|---|---|---|---|
| WLCSP-TKCURDL | 3.7 x 2.6 x 0.60 | 35 | 0.5 |
アプリケーション
- Smartphones
- AR/VR Glasses
- Drones
- Optical Transceiver Modules
- Artificial Intelligence (AI) Processors
- Client/Enterprise/Data Center SSD
- NAS
適用されたフィルター