| CADモデル: | View CAD Model |
| Pkg. Type: | QFN |
| Pkg. Code: | LYV |
| Lead Count (#): | 48 |
| Pkg. Dimensions (mm): | 5.99 x 5.99 x 0.90 |
| Pitch (mm): | 0.4 |
| Moisture Sensitivity Level (MSL) | |
| Pb (Lead) Free | No |
| ECCN (US) | |
| HTS (US) |
| Pkg. Type | QFN |
| Carrier Type | Reel |
| Bias Voltage Range (V) | 4.75 - 5.25 |
| Droop | Yes |
| Input Voltage (Max) (V) | 12 |
| Input Voltage (Min) (V) | 5 |
| Integrated MOSFET Driver (s) | Yes |
| Lead Count (#) | 48 |
| Length (mm) | 6 |
| MOQ | 4000 |
| Output Current (Max) [Rail 1] (A) | 120 |
| Output Voltage (Max) (V) | 1.55 |
| Output Voltage (Min) (V) | 0.0125 |
| Outputs (Max) (#) | 2 |
| Parametric Applications | AMD SVI Split-Plane Processors |
| Pb (Lead) Free | No |
| Phases (Max) | 4 |
| Pitch (mm) | 0.4 |
| Pkg. Dimensions (mm) | 6.0 x 6.0 x 0.90 |
| Qualification Level | Standard |
| Temp. Range (°C) | 0 to +70°C |
| Thickness (mm) | 0.9 |
| VID | Yes |
| Width (mm) | 6 |
Support is limited to customers who have already adopted these products.
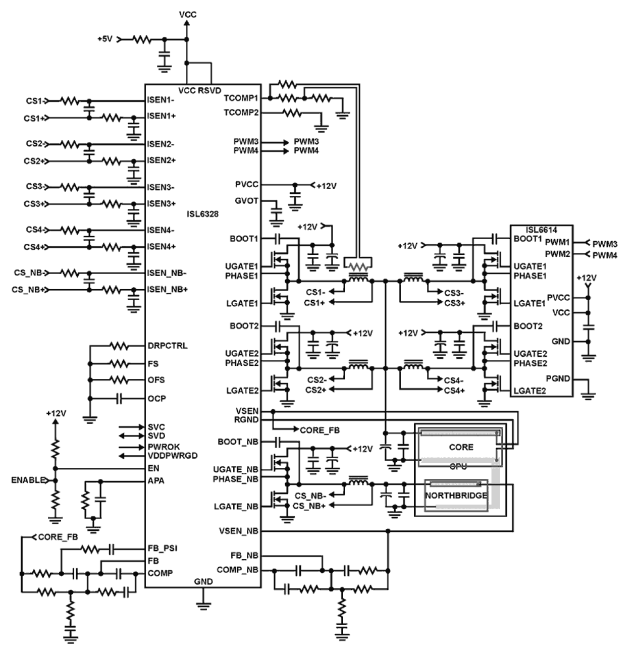
The ISL6328 dual PWM controller delivers high efficiency and tight regulation from two synchronous buck DC/DC converters. The ISL6328 supports power control of AMD processors, which operate from a serial VID interface (SVI). The dual output ISL6328 features a multi-phase controller to support the Core voltage (VDD) and a single phase controller to power the Northbridge (VDDNB). A precision core voltage regulation system is provided by a one-to-four-phase PWM voltage regulator (VR) controller. The integration of two power MOSFET drivers adds flexibility in layout and reduces the number of external components in the multi-phase section. A single phase PWM controller with integrated driver provides a second precision voltage regulation system for the Northbridge portion of the processor. This monolithic, dual controller with an integrated driver solution provides a cost and space saving power management solution. For applications that benefit from load line programming to reduce bulk output capacitors, the ISL6328 features temperature compensated output voltage droop. The multi-phase portion also includes advanced control loop features for optimal transient response to load application and removal. One of these features is highly accurate, fully differential, continuous DCR current sensing for load line programming and channel current balance. Dual edge modulation is another unique feature, allowing for quicker initial response to high di/dt load transients. The ISL6328 supports Power Savings Mode by dropping the number of phases when the PSI_L bit is set.