メインコンテンツに移動
ルネサス エレクトロニクス株式会社 (Renesas Electronics Corporation)

特長

  • High performance R3 technology
  • Fast transient response
  • ±1% regulation accuracy: -10°C to +100°C
  • Individual power stage input rail for each channel
  • Wide input voltage range: +3.3V to +25V
  • Output voltage range: +0.6V to +5V
  • Diode emulation mode for increased light load efficiency
  • Programmable PWM frequency: 200kHz to 600kHz
  • Pre-biased output start-up capability
  • Integrated MOSFET drivers and bootstrap diode
  • Internal digital soft-start
  • Power good monitor
  • Fault protection
  • Undervoltage protection
  • Soft crowbar overvoltage protection
  • Inductor DCR overcurrent protection
  • Over-temperature protection
  • Fault identification by PGOOD pull-down resistance
  • Pb-free available (RoHS compliant)

説明

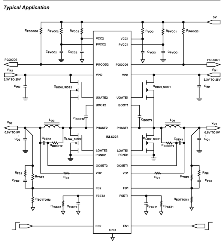
The ISL6228 IC is a dual channel synchronous-buck PWM controller featuring Intersil's Robust Ripple Regulator (R3) technology that delivers truly superior dynamic response to input voltage and output load transients. Integrated MOSFET drivers and bootstrap diodes result in fewer components and smaller implementation area. Intersil's R3 technology combines the best features of fixed-frequency and hysteretic PWMs while eliminating many of their shortcomings. R3 technology employs an innovative modulator that synthesizes an AC ripple voltage signal VR, analogous to the output inductor ripple current. The AC signal VR enters a window comparator where the lower threshold is the error amplifier output VCOMP, and the upper threshold is a programmable voltage reference VW, resulting in generation of the PWM signal. The voltage reference VW sets the steady-state PWM frequency. Both edges of the PWM can be modulated in response to input voltage transients and output load transients, much faster than conventional fixed-frequency PWM controllers. Unlike a conventional hysteretic converter, each channel of the ISL6228 has an error amplifier that provides ±1% voltage regulation at the FB pin. The ISL6228 has a 1. 5ms digital soft-start and can be started into a pre-biased output voltage. A resistor divider is used to program the output voltage setpoint. The ISL6228 operates in continuous-conduction-mode (CCM) in heavy load, and in diode-emulation-mode (DEM) in light load to improve light-load efficiency. In CCM, the controller always operates as a synchronous rectifier. In DEM, the low-side MOSFET is permitted to stay off, blocking negative current flow into the low-side MOSFET from the output inductor.

アプリケーション

  • General purpose switching buck regulators
  • PCI express graphical processing unit
  • Auxiliary power rail
  • VRM
  • Network adapter

適用されたフィルター