メインコンテンツに移動
ルネサス エレクトロニクス株式会社 (Renesas Electronics Corporation)

特長

  • Speed grades 130M and 210+MSPS
  • Low power 103mW with 20mA output at 130MSPS
  • Adjustable full-scale output current 2mA to 20mA
  • +3.3V power supply
  • 3V LVCMOS compatible inputs
  • Excellent spurious free dynamic range (73dBc to Nyquist, fS = 130MSPS, fOUT = 10MHz)
  • UMTS adjacent channel power = 70dB at 19.2MHz
  • EDGE/GSM SFDR = 90dBc at 11MHz in 20MHz window
  • Pin compatible, 3.3V, lower power replacement for the AD9752 and HI5860
  • Pb-free available

説明

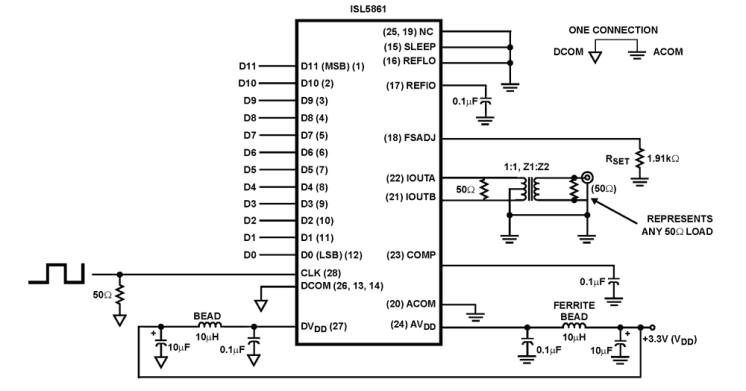
The ISL5861 is a 12-bit, 130/210+MSPS (Mega Samples Per Second), CMOS, high-speed, low power, D/A (digital-to-analog) converter, designed specifically for use in high-performance communication systems such as base transceiver stations utilizing 2.5G or 3G cellular protocols. This device complements the ISL5x61 family of high-speed converters, which include 10, 12 and 14-bit devices.

アプリケーション

  • Cellular infrastructure - Single or multi-carrier: IS-136, IS-95, GSM, EDGE, CDMA2000, WCDMA, TDS-CDMA
  • BWA infrastructure
  • Medical/Test instrumentation
  • Wireless communication systems
  • High resolution imaging systems
  • Arbitrary waveform generators

適用されたフィルター