特長
- Embedded 32.768kHz quartz crystal in the package
- 20 Ld DFN package (for SOIC version, refer to the ISL12022M)
- Calendar
- On-chip oscillator temperature compensation
- 10-bit digital temperature sensor output
- 15 selectable frequency outputs
- Interrupt for alarm or 15 selectable frequency outputs
- Automatic backup to battery or supercapacitor
- VDD and battery status monitors
- Battery Reseal™ function to extend battery shelf life
- Power status brownout monitor
- Time stamp for battery switchover
- 128 Bytes battery-backed user SRAM
- I2C-Bus™
- RoHS compliant
説明
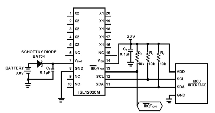
Low Power RTC with Battery Backed SRAM, Integrated ±5ppm Temperature Compensation and Auto Daylight Saving ISL12020M The ISL12020M device is a low power Real Time Clock (RTC) with an embedded temperature sensor and crystal. Device functions include oscillator compensation, clock/calendar, power fail and low battery monitors, brownout indicator, one-time, periodic or polled alarms, intelligent battery backup switching, Battery Reseal™ function and 128 bytes of battery-backed user SRAM. The device is offered in a 20 Ld DFN module that contains the RTC and an embedded 32. 768kHz quartz crystal. The calibrated oscillator provides less than ±5ppm drift across the 0°C to +85°C temperature range. The RTC tracks time with separate registers for hours, minutes and seconds. The calendar registers track date, month, year and day of the week and are accurate through 2099, with automatic leap year correction. Daylight Savings time adjustment is done automatically, using parameters entered by the user. Power fail and battery monitors offer user-selectable trip levels. The time stamp function records the time and date of switchover from VDD to VBAT power and also from VBAT to VDD power.
パラメータ
| 属性 | 値 |
|---|---|
| Interface | I2C |
| Alarms (#) | 1 |
| Supply Voltage Vcc (Min) (V) | 2.7 |
| Battery Backup | Yes |
| Battery Seal | Yes |
| CPU Supervisory Function POR | No |
| Crystal Frequency Trimming | Yes |
| Frequency Out Pin | Yes |
| Battery Current (nA) | 1000 |
| Time Keeping Current (µA) | 3.5 |
| SRAM | 128 Bytes |
| Selectable Frequency Output | 15 |
| Oscillator Compensation | -336 to +337 |
| TRIP Voltage for POR | 6 Select VTRIP Levels |
| Accuracy | ±5 ppm |
| Product Category | Real-Time Clocks, Real-Time Clocks |
パッケージオプション
| Pkg. Type | Pkg. Dimensions (mm) | Lead Count (#) | Pitch (mm) |
|---|---|---|---|
| DFN | 4.0 x 5.5 x 0.90 | 20 | 0.5 |
アプリケーション
- Utility Meters
- POS Equipment
- Printers and Copiers
- Digital Cameras
適用されたフィルター