メインコンテンツに移動
ルネサス エレクトロニクス株式会社 (Renesas Electronics Corporation)

特長

  • NTSC, PAL, and SECAM sync separation
  • Single supply, +5V operation
  • Precision 50% slicing
  • Built-in programmable color burst filter
  • Decodes non-standard vertical
  • Horizontal sync output
  • Sync. pulse amplitude output
  • Same socket can be used for 8-pin EL4581
  • Low-power CMOS
  • Detects loss of signal
  • Resistor programmable scan rate
  • Few external components
  • Available in 16-pin PDIP and 16-pin SO (0.150") packages
  • Pb-Free Plus Anneal Available (RoHS Compliant)

説明

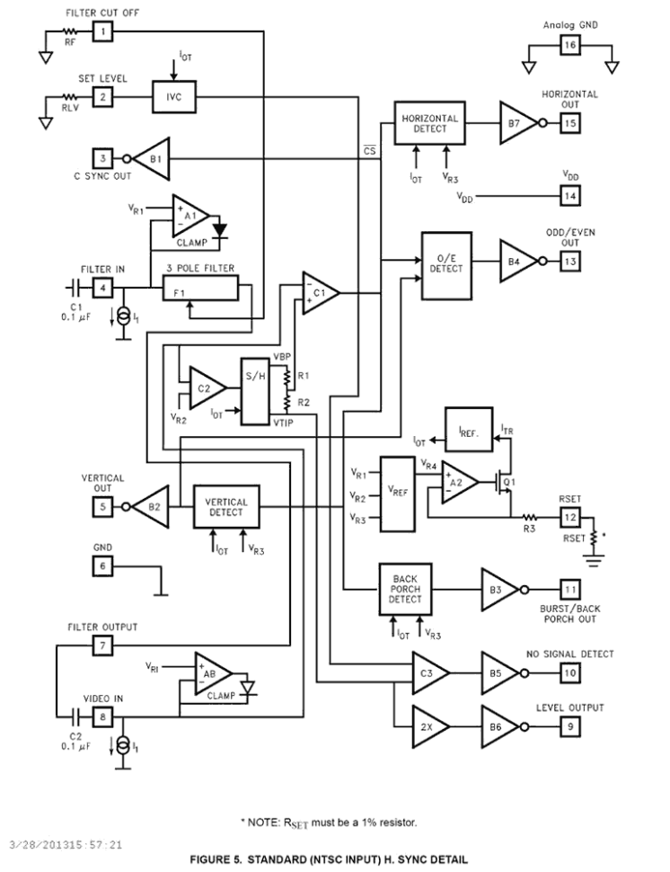
The EL4583 extracts timing from video sync in NTSC, PAL, and SECAM systems, and non standard formats, or from computer graphics operating at higher scan rates. Timing adjustment is via an external resistor. Input without valid vertical interval (no serration pulses) produces a default vertical output. Outputs are: composite sync, vertical sync, filter, burst/back porch, horizontal, no signal detect, level, and odd/even output (in interlaced scan formats only). The EL4583 sync slice level is set to the mid-point between sync tip and the blanking level. This 50% point is determined by two internal sample and hold circuits that track sync tip and back porch levels. It provides hum and noise rejection and compensates for input levels of 0. 5V to 2. 0VP-P. A built in filter attenuates the chroma signal to prevent color burst from disturbing the 50% sync slice. Cut off frequency is set by a resistor to ground from the Filter Cut Off pin. Additionally, the filter can be by-passed and video signal fed directly to the Video Input. The level output pin provides a signal with twice the sync amplitude which may be used to control an external AGC function. A TTL/CMOS compatible No Signal Detect Output flags a loss or reduction in input signal level. A resistor sets the Set Detect Level. The EL4583 is manufactured using Elantec's high performance analog CMOS process.

アプリケーション

  • Video special effects
  • Video test equipment
  • Video distribution
  • Multimedia
  • Displays
  • Imaging
  • Video data capture
  • Video triggers

適用されたフィルター