メインコンテンツに移動
ルネサス エレクトロニクス株式会社 (Renesas Electronics Corporation)

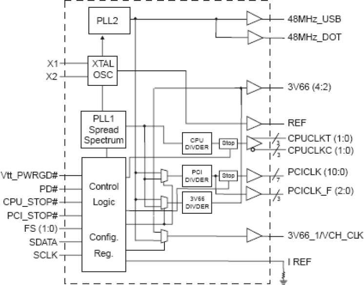
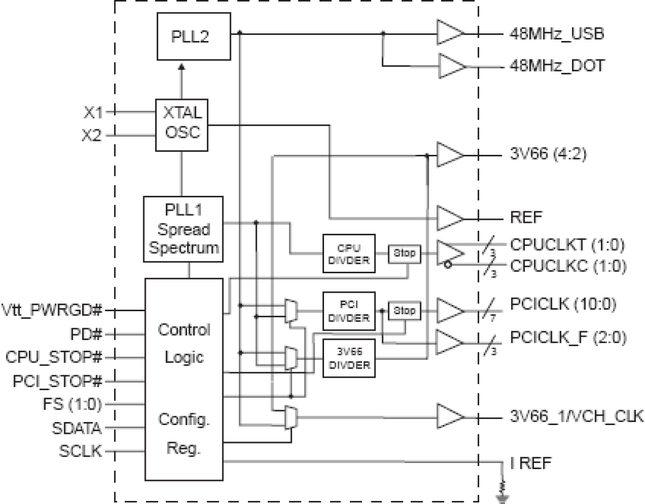
特長

  • 2 - Differential CPU Clock Pairs @ 3.3V
  • 8 - PCI (3.3V) @ 33.3MHz including 2 1x/2x selectable PCI clocks
  • 3 - PCI_F/PCI selectable (3.3V) @ 33.3MHz
  • 1 - USB (3.3V) @ 48MHz, 1 DOT (3.3V) @ 48MHz
  • 1 - REF (3.3V) @ 14.318MHz
  • 4 - 3V66 (3.3V) @ 66.6MHz
  • 1 - VCH/3V66 (3.3V) @ 48MHz or 66.6MHz
  • Selectable 1X or 2X strength for REF and PCI via SMBus interface
  • Programmable group to group skew
  • Linear programmable frequency and spreading %
  • Efficient power management scheme through PD#, CPU_STOP# and PCI_STOP#.
  • Uses external 14.318MHz crystal
  • Stop clocks and functional control available through SMBus interface.
  • CPU Output Jitter <150ps
  • 3V66 Output Jitter <250ps
  • CPU Output Skew <100ps

説明

Frequency Generator with 200MHz Differential CPU Clocks

適用されたフィルター