メインコンテンツに移動
ルネサス エレクトロニクス株式会社 (Renesas Electronics Corporation)

特長

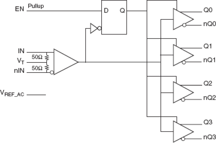
  • Four LVPECL/ECL outputs
  • IN, nIN input can accept the following differential input levels: LVPECL, LVDS, CML, SSTL
  • 50Ω internal input termination to VT
  • Output frequency: >2.1GHz
  • Output skew: 30ps (maximum)
  • Part-to-part skew: 185ps (maximum)
  • Additive phase jitter, RMS: 0.31ps (typical)
  • Propagation Delay: 570ps (maximum)
  • LVPECL mode operating voltage supply range: VCC = 2.5V±5%, 3.3V±5%, VEE = 0V
  • ECL mode operating voltage supply range: VCC = 0V, VEE = -3.3V±5%, -2.5V±5%
  • -40°C to 85°C ambient operating temperature
  • Available in lead-free (RoHS 6) package

説明

The 8S89831I is a high speed 1-to-4 Differential-to-LVPECL/ECL Fanout Buffer. The 8S89831I is optimized for high speed and very low output skew, making it suitable for use in demanding applications such as SONET, 1 Gigabit and 10 Gigabit Ethernet, and Fibre Channel. The internally terminated differential input and VREF_AC pin allow other differential signal families such as LVDS, LVHSTL and CML to be easily interfaced to the input with minimal use of external components. The device also has an output enable pin which may be useful for system test and debug purposes. The 8S89831I is packaged in a small 3mm x 3mm 16-pin VFQFN package which makes it ideal for use in space-constrained applications.

パラメータ

属性
Temp. Range (°C)-40 to 85°C
Product CategoryClock Buffers & Drivers, RF Buffers

パッケージオプション

Pkg. TypePkg. Dimensions (mm)Lead Count (#)Pitch (mm)
VFQFPN3.0 x 3.0 x 1.0160.5

適用されたフィルター