メインコンテンツに移動
以下のデバイスを代替品として推奨しております。

特長

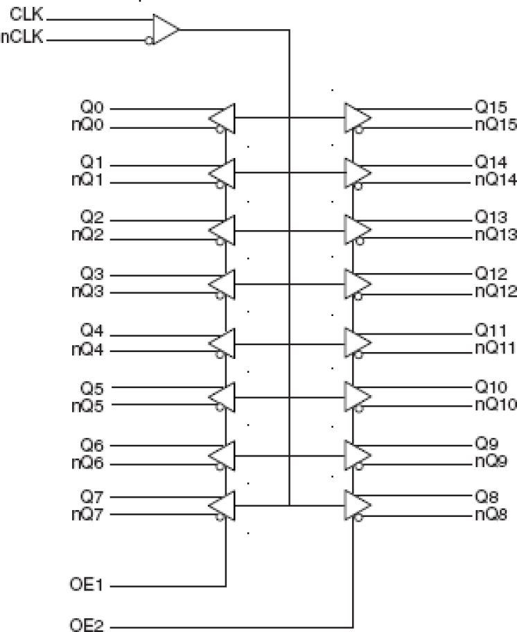
  • Sixteen Differential LVDS outputs
  • CLK, nCLK pair can accept the following differential input levels: LVPECL, LVDS, LVHSTL, HCSL, SSTL
  • Maximum output frequency: 700MHz
  • Translates any differential input signal (LVPECL, LVHSTL, SSTL, DCM) to LVDS levels without external bias networks
  • Translates any single-ended input signal to LVDS with resistor bias on nCLK input
  • Multiple output enable inputs for disabling unused outputs in reduced fanout applications
  • LVDS compatible
  • Output skew: 65ps (maximum)
  • Part-to-part skew: 550ps (maximum)
  • Propagation delay: 2.4ns (maximum)
  • 3.3V operating supply
  • -40°C to 85°C ambient operating temperature
  • Available in both standard (RoHS 5) and lead-free (RoHS 6) packages

説明

The 8516I is a low skew, high performance 1- to-16 Differential-to-LVDS Clock Distribution Chip and a member of the HiPerClockS™ family of High Performance Clock Solutions from IDT. The 8516I CLK, nCLK pair can accept any differential input levels and translates them to 3.3V LVDS output levels. Utilizing Low Voltage Differential Signaling (LVDS), the 8516I provides a low power, low noise, point-to-point solution for distributing clock signals over controlled impedances of 100?. Dual output enable inputs allow the 8516I to be used in a 1-to-16 or 1-to-8 input/output mode. Guaranteed output and part-to-part skew specifications make the 8516I ideal for those applications demanding well defined performance and repeatability.

適用されたフィルター