メインコンテンツに移動

特長

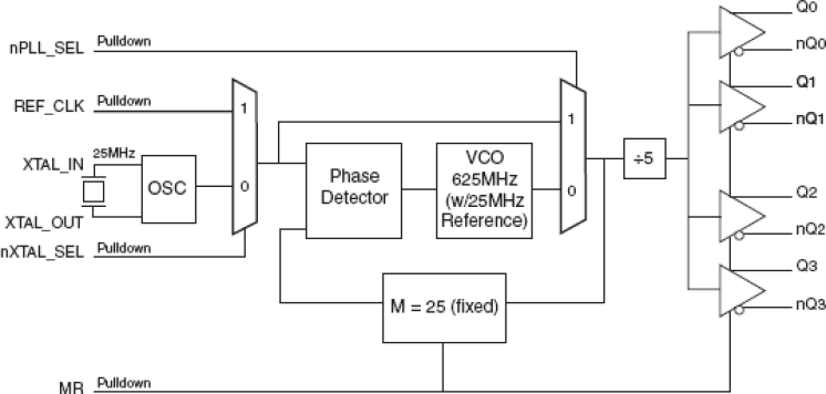
  • Four 3.3V LVPECL output pairs
  • Selectable crystal oscillator interface or LVCMOS/LVTTL single-ended input
  • Crystal oscillator designed for 25MHz, 18pF parallel resonant crystal
  • Supports the following output frequency: 125MHz
  • VCO range: 560MHz - 680MHz
  • RMS phase jitter @ 125MHz, using a 25MHz crystal (1.875MHz - 20MHz): 0.58ps (typical)
  • Full 3.3V supply mode
  • 0°C to 70°C ambient operating temperature
  • Available in lead-free (RoHS 6) package

説明

The 843004-125 is a 4 output LVPECL Synthesizer optimized to generate Ethernet reference clock frequencies. The 843004-125 uses our 3rd generation low phase noise VCO technology and can achieve 1ps or lower typical rms phase jitter, easily meeting Ethernet jitter requirements. The 843004-125 is packaged in a small 24-pin TSSOP package.

適用されたフィルター