メインコンテンツに移動
ルネサス エレクトロニクス株式会社 (Renesas Electronics Corporation)

特長

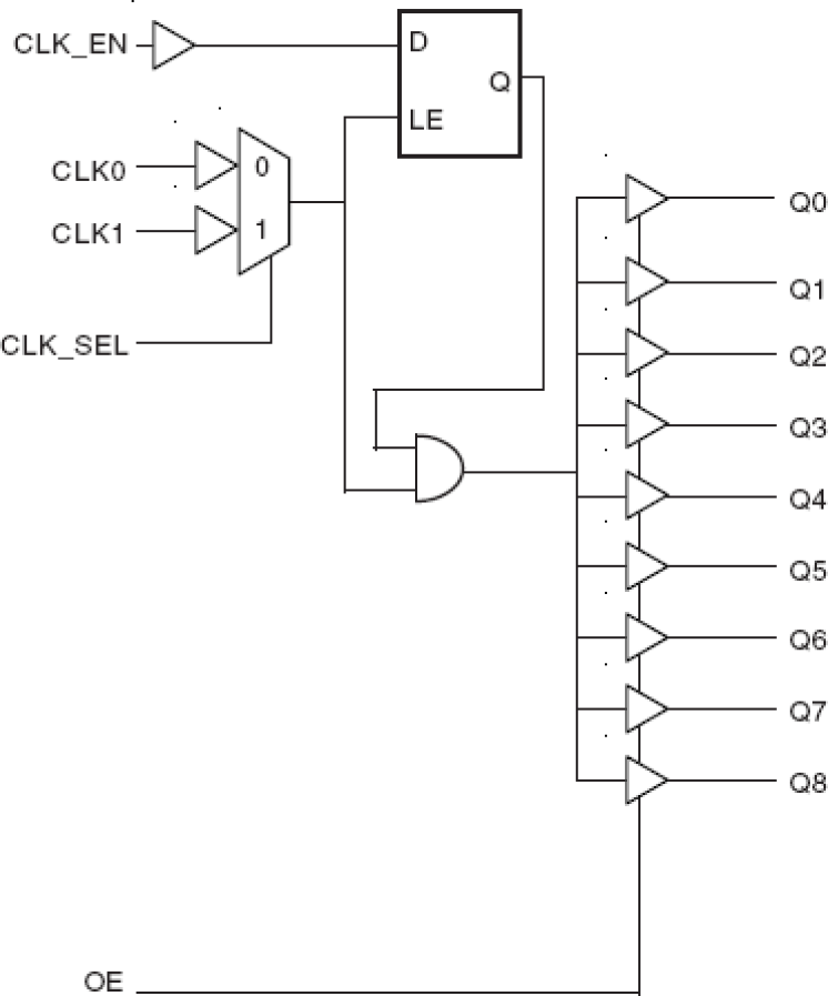
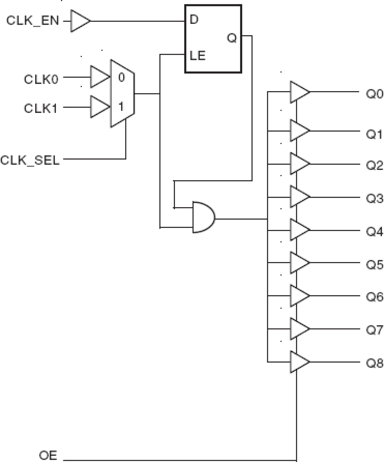
  • 9 LVCMOS/LVTTL outputs
  • Selectable CLK0 and CLK1 can accept the following input levels: LVCMOS and LVTTL
  • Maximum output frequency: 110MHz
  • Output skew: 500ps (maximum)
  • Part-to-part skew: 2ns (maximum)
  • 3.3V operating supply
  • -40°C to 85°C ambient operating temperature
  • Lead-Free package available

説明

The 83947I is a low skew, 1-to-9 LVCMOS Fanout Buffer. The low impedance LVCMOS/LVTTL outputs are designed to drive 50Ω series or parallel terminated transmission lines. The effective fanout can be increased from 9 to 18 byutilizing the ability of the outputs to drive two series terminated lines. Guaranteed output and part-to-part skew characteristics make the 83947I ideal for high performance, single ended applications that also require a limited output voltage.

適用されたフィルター