メインコンテンツに移動
ルネサス エレクトロニクス株式会社 (Renesas Electronics Corporation)

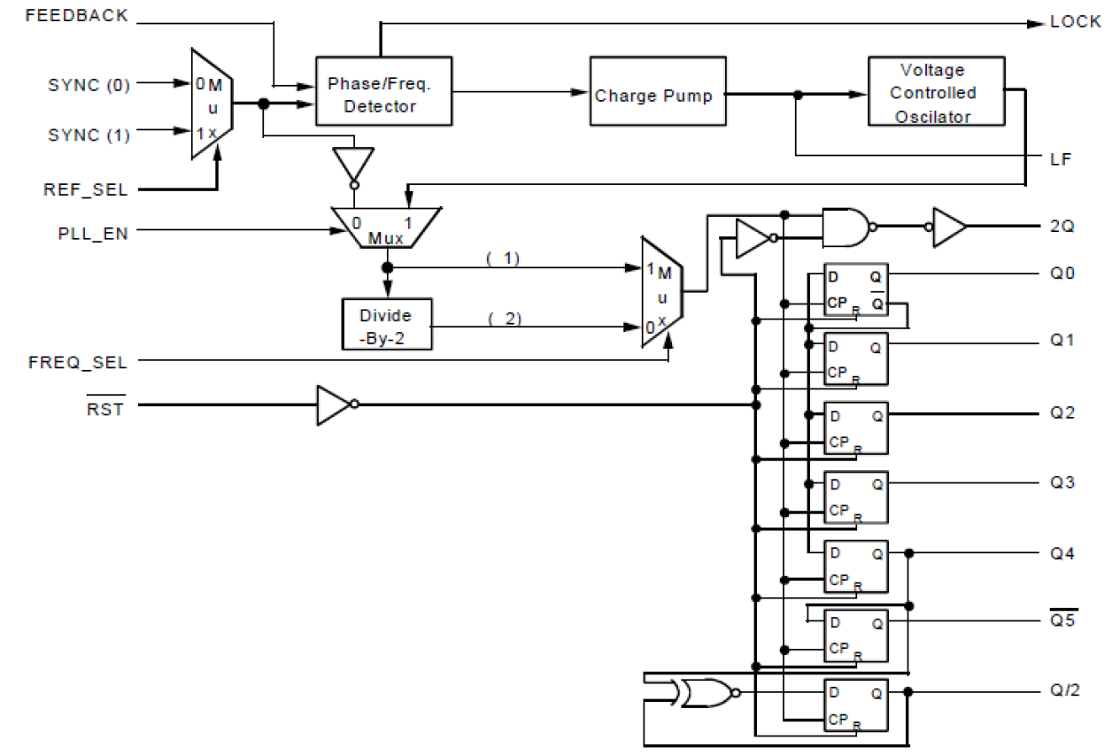
特長

  • 0.5 MICRON CMOS Technology
  • Input frequency range: 10MHz – f2Q Max. spec (FREQ_SEL = HIGH)
  • Max. output frequency: 133MHz
  • Pin and function compatible with MC88915
  • Five non-inverting outputs, one inverting output, one 2x output, one ÷2 output
  • all outputs are TTL-compatible
  • Output Skew < 500ps (max.)
  • Duty cycle distortion < 500ps (max.)
  • Part-to-part skew: 0.55ns (from tPD max. spec)
  • 64/–15mA drive at TTL output voltage levels
  • Available in PLCC and SSOP packages
  • Not Recommended for New Design

説明

Not recommended for new designs. Please use 74FCT388915T instead.

適用されたフィルター