メインコンテンツに移動
ルネサス エレクトロニクス株式会社 (Renesas Electronics Corporation)

特長

  • A and C speeds
  • Low input and output leakage ?1 uA (max.)
  • CMOS power levels
  • True TTL input and output compatibility: – VOH = 3.3V (typ.) – VOL = 0.3V (typ.)
  • High Drive outputs (-15mA IOH, 48mA IOL)
  • Meets or exceeds JEDEC standard 18 specifications
  • Power off disable outputs permit "live insertion"
  • Available in 20 pin SOIC, SSOP and QSOP packages

説明

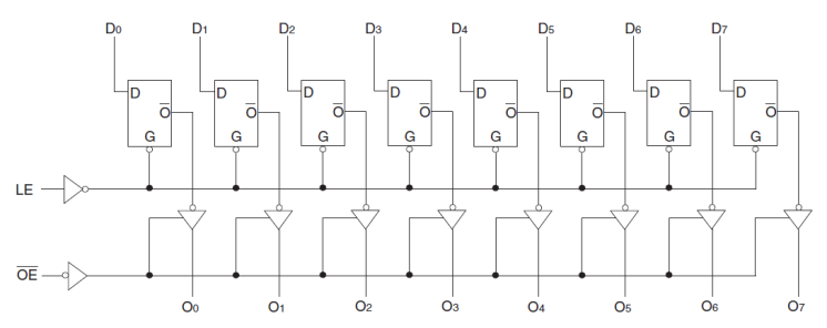
The 74FCT373T is an octal transparent latch that has 3-state outputs and is intended for bus oriented applications. When Latch Enable (LE) is high, the flip-flops appear transparent to the data and when LE is low, the data that meets the set-up time is latched. The 74FCT373T operates at -40C to +85C. (For Mil version, see 54FCT373T)

適用されたフィルター