メインコンテンツに移動
ルネサス エレクトロニクス株式会社 (Renesas Electronics Corporation)

特長

  • A, C, and D speeds
  • Low input and output leakage ?1 uA (max.)
  • CMOS power levels
  • True TTL input and output compatibility: – VOH = 3.3V (typ.) – VOL = 0.3V (typ.)
  • High Drive outputs (-15mA IOH, 48mA IOL)
  • Meets or exceeds JEDEC standard 18 specifications
  • Power off disable outputs permit "live insertion"
  • Available in 16 pin QSOP package

説明

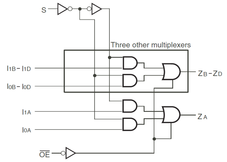
The 74FCT257T is a high-speed quad 2-input multiplexer. The 74FCT257T has a common Output Enable (OE) input. When OE is high, all outputs are switched to a high-impedance state allowing the outputs to interface directly with bus-oriented systems. The 74FCT257T operates at -40C to +85C

適用されたフィルター