メインコンテンツに移動
ルネサス エレクトロニクス株式会社 (Renesas Electronics Corporation)

特長

  • Typical tSK(o) (Output Skew) 250ps
  • ESD > 2000V per MIL-STD-883, Method 3015
  • > 200V using machine model (C = 200pF, R = 0)
  • VCC = 3.3V ± 0.3V, Normal Range
  • VCC = 2.7V to 3.6V, Extended Range
  • VCC = 2.5V ± 0.2V
  • CMOS power levels (0.4 uW typ. static)
  • Rail-to-Rail output swing for increased noise margin
  • Available in 48 pin TSSOP package

説明

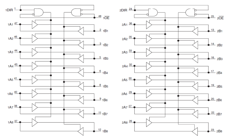
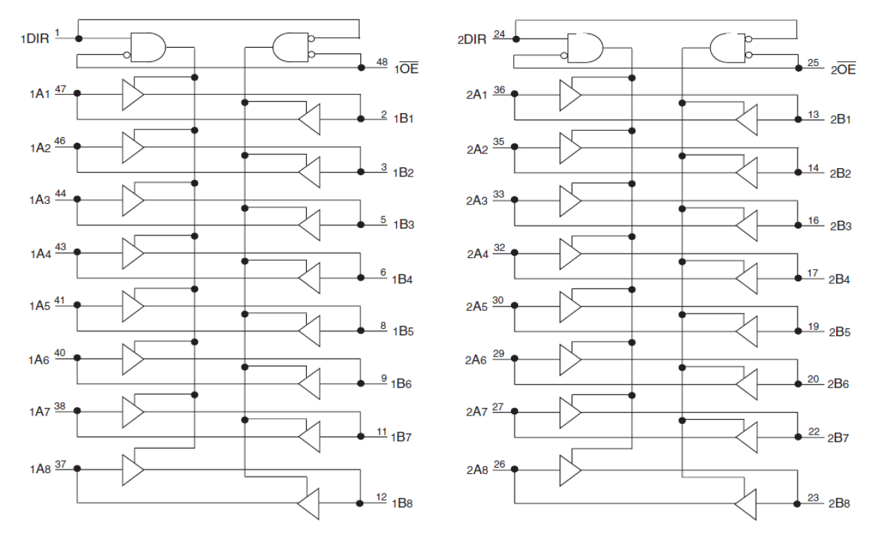
The 74ALVC16245 16-bit bus transceiver is designed for asynchronous communication between data buses and can be used as two 8-bit transceivers or one 16-bit transceiver. It allows data transmission between the buses depending on the logic level at the direction-control (DIR) input. This driver is capable of driving a moderate to heavy load while maintaining speed performance. The 74ALVC16245 operates at -40C to +85C

適用されたフィルター