Skip to main content
Renesas Electronics Corporation

Features

  • High Speed USB Switching
  • Low 4.0pF (typ) On Capacitance
  • Low 4.0Ω (typ) On Resistance
  • Low 0.5Ω (typ) On Resistance Flatness
  • 2.8V to 5.5V Supply Range
  • Low 8μA (typ) Supply Current
  • Automatic Current-Limit Switch Control
  • Automatic USB Charger Identification Circuit
  • USB Battery Charging Specification 1.2 compliant
  • Pb-Free / RoHS Compliant
  • Halogen-Free
  • TDFN-8 Package

Description

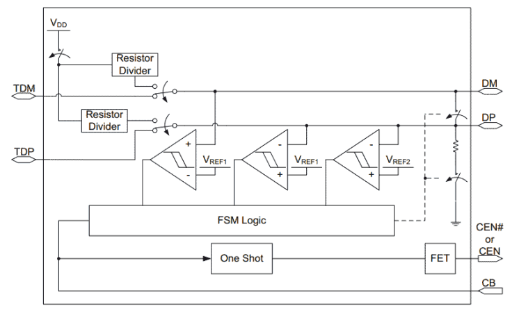
TheSLG55566A is a USB device that combines high speed USB switches with a USB host charger (dedicated charger) identification circuit. The device supports both the latest USB Battery Charging Specification Revision 1.2 including data contact detection and a set resistor bias for Apple compliant devices as well as legacy USB D+/D- short detection using data line pull-up.

Applications

  • USB Ports/Hubs
  • Notebook PCs
  • Power bank
  • Car charger
  • Universal Wall Charging Adapter

Applied Filters: