| CAD Model: | View CAD Model |
| Pkg. Type: | QFN8x8 |
| Pkg. Code: | |
| Lead Count (#): | 22 |
| Pkg. Dimensions (mm): | 8 x 8 x 0.85 |
| Pitch (mm): |
| Moisture Sensitivity Level (MSL) | 3 |
| HTS (US) | 8542.39.0090 |
| RoHS (RRW22125-153) | EnglishJapanese |
| Pb (Lead) Free | |
| ECCN (US) |
| Lead Count (#) | 22 |
| Carrier Type | Tape & Reel |
| Moisture Sensitivity Level (MSL) | 3 |
| Control Mode | Peak Current Mode DCM/CCM |
| Switching Frequency (KHz) | 70 - 270 |
| VBIAS (Max) (V) | 42 |
| Temp. Range (°C) | -40 to +150°C |
| Advanced Features | SuperGaN Integrated |
| Application | Industrial Power, Appliances & White Goods, Network Power, Server Aux Power, PoE, TV Power, Isolated Power for Gate Drivers, Motor |
| Controller / Integrated | Integrated |
| Country of Assembly | TAIWAN, MALAYSIA |
| Country of Wafer Fabrication | Die1:KR, Die2:JP, Die3:TW |
| Function | SSR Flyback |
| Key Features | Low Cost Solution w/o Active Startup |
| Length (mm) | 8 |
| MOQ | 4000 |
| No-Load Operating Current | 0.7 |
| Output Power Max (W) | 45 |
| Output Voltage (Max) (V) | 24 |
| Outputs (Max) (#) | 3 |
| PWMs (#) | 1 |
| Parametric Category | Flyback & Forward Controllers |
| Pass Device | |
| Phases (Max) | Flyback & Forward Controllers |
| Pkg. Dimensions (mm) | 8 x 8 x 0.85 |
| Pkg. Type | QFN8x8 |
| Product Category | Flyback & Forward Controllers |
| Protection Features | Brown-out, OTP, UVLO, Output OVP, OCP |
| Qualification Level | Standard |
| Quality Level | Standard |
| Simulation Model Available | No |
| Supply Voltage (max) (V) | 45 - 45 |
| Thickness (mm) | 0.85 |
| Topology Characteristic | PWM/PFM Flyback |
| UVLO Falling (V) | 7.5 |
| UVLO Rising (V) | 15.3 |
| Width (mm) | 8 |
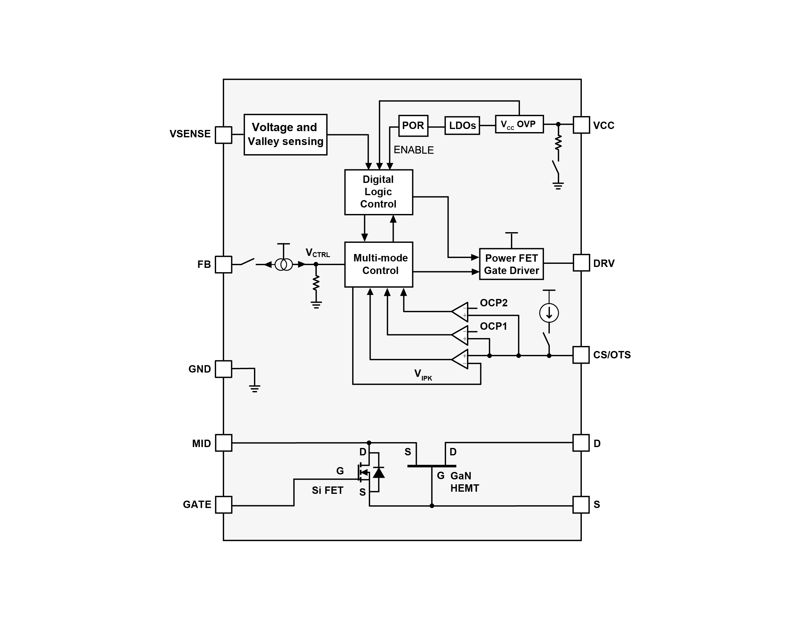
The RRW22125 is a System‑in‑Package (SiP) product that integrates a 700V SuperGaN® FET with a high‑performance AC/DC primary‑side digital flyback controller for secondary‑side regulation (SSR). Designed for 25W to 45W adapters, it supports operation with TL431 shunt regulators and other third‑party secondary‑side controllers across a wide range of end applications.
The device operates in constant‑frequency quasi‑resonant (QR) mode and uses adaptive multi‑mode control (MMC), which includes pulse‑width modulation (PWM), pulse‑frequency modulation (PFM), and burst‑mode operation. This control architecture improves efficiency, reduces electromagnetic interference (EMI), and eliminates audible noise across varying load conditions.
When paired with a TL431 or other secondary‑side controllers, the RRW22125 achieves tight constant‑voltage (CV), fast dynamic load response, and standby power consumption below 75mW in typical high‑power designs. Its integrated protection features and support for dual‑polarity auxiliary‑winding sensing simplify transformer design, enhance EMI performance, and help reduce overall system cost.