Skip to main content
Renesas Electronics Corporation

Features

  • N-channel FET switches with no parasitic diode to VCC
    • Isolation under power-off conditions
    • No DC path to VCC or GND
    • 5V tolerant in OFF and ON state
  • 5V tolerant I/Os
  • Low RON - 4Ω typical
  • Flat RON characteristics over operating range
  • Rail-to-rail switching 0V to 5V
  • Bidirectional dataflow with near-zero delay: No added ground bounce
  • Excellent RON matching between channels
  • VCC operation: 2.3V to 3.6V
  • High bandwidth - Up to 500MHz
  • LVTTL-compatible control inputs
  • Undershoot clamp diodes on all switch and control inputs
  • Low I/O capacitance, 4pF typical
  • Available in a 48-pin TSSOP package

Description

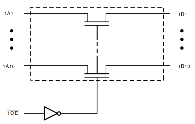
The QS3VH16210 HotSwitch is organized as a dual 10-bit, 2-port bus switch with separate, xOE control inputs. The QS3VH16210 has very low ON-resistance, resulting in under 250ps propagation delay through the switch. The switches are controlled by active low enable (xOE) controls. The combination of near-zero propagation delay, high OFF impedance, and overvoltage tolerance makes the QS3VH16210 ideal for high-performance communications applications. The QS3VH16210 operates from -40 °C to +85 °C.

Applications

  • Hot-swapping
  • 10/100 Base-T, Ethernet LAN switch
  • Low distortion analog switch
  • Replaces mechanical relay
  • ATM 25/155 switching

Applied Filters: