Skip to main content
Renesas Electronics Corporation

Features

  • Enhanced N-channel FET with no inherent diode to VCC
  • 5Ω bidirectional switches connect inputs to outputs
  • Zero propagation delay, zero ground bounce
  • Undershoot clamp diodes on all switch and control inputs
  • Available in 24-pin QSOP and TSSOP packages

Description

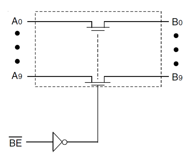
The QS3861 provides a set of 10 high-speed CMOS TTL-compatible bus switches. The low ON-resistance (5Ω) of the QS3861 allows inputs to be connected without adding propagation delay and without generating additional ground bounce noise. The Bus Enable (BE) signal turns the switches on. The QS3861 operates at -40 °C to +85 °C.

Parameters

AttributesValue
FunctionBus Switch (Flow-through)
Pkg. CodePCG24, PGG24
Temp. Range (°C)-40 to 85°C
Bus Width (bits)10
Core Voltage (V)5
On Resistance (Ω)5
Speed GradeStandard

Package Options

Pkg. TypePkg. Dimensions (mm)Lead Count (#)Pitch (mm)
QSOP8.7 x 3.8 x 1.47240.64
TSSOP7.8 x 4.4 x 1.0240.65

Applications

  • Hot-swapping, hot-docking
  • Voltage translation (5V to 3.3V)
  • Power conservation
  • Capacitance reduction and isolation
  • Bus isolation
  • Clock gating

Applied Filters: