Skip to main content
Renesas Electronics Corporation

Features

  • Wide input voltage range from 4.5V to 28V
  • Adjustable output voltage with continuous output current up to 3A
  • Current mode control
  • Adjustable switching frequency from 300kHz to 2MHz
  • Independent power-good detection
  • Selectable in-phase or out-of-phase PWM operation
  • Independent, sequential, ratiometric or absolute tracking between outputs
  • Internal 2ms soft-start time
  • Overcurrent/short circuit protection, thermal overload protection, UVLO
  • Boot undervoltage detection
  • Pb-free (RoHS compliant)

Description

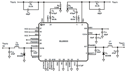
The ISL85033 is a dual standard buck regulator capable of 3A per channel continuous output current. With an input range of 4. 5V to 28V, it provides a high frequency power solution for a variety of point of load applications. The PWM controller in the ISL85033 drives an internal switching N-Channel power MOSFET and requires an external Schottky diode to generate the output voltage. The integrated power switch is optimized for excellent thermal performance up to 3A of output current. The PWM regulator switches at a default frequency of 500kHz and it can be user programmed or synchronized from 300kHz to 2MHz. The ISL85033 utilizes peak current mode control to provide flexibility in component selection and minimize solution size. The protection features include overcurrent, UVLO and thermal overload protection. The ISL85033 is available in a small 4mmx4mm Thin Quad Flat No-Lead (TQFN) Pb-free package.

Parameters

AttributesValue
Topology [Rail 1]Buck
Outputs (#)2
Input Voltage (Min) [Rail 1] (V)4.5
Input Voltage (Max) [Rail 1] (V)28 - 28
Output Voltage (Min) [Rail 1] (V)0.8
Output Voltage (Max) [Rail 1] (V)28
Output Current (Max) [Rail 1] (A)3
Switching Frequency Range (Typical) (kHz)300 - 2000
Control TypeCurrent Mode
Peak Efficiency (%)92
IQ [Rail 1] (µA)1200
SYNCH CapabilityYes
Qualification LevelStandard
Temp. Range (°C)-40 to +85°C
Simulation Model AvailableiSim

Package Options

Pkg. TypePkg. Dimensions (mm)Lead Count (#)Pitch (mm)
TQFN4.0 x 4.0 x 0.75280.4

Application Block Diagrams

Smart Travel Bag Block Diagram
Smart Travel Bag
AI-powered smart travel bag with object detection and hands-free convenience.
Power & Timing System for AI Accelerator Card Block Diagram
Power & Timing System for AI Accelerator Card
Multi-Cell USB PD Power Bank with Quick Charge 2.0/3.0 Block Diagram
Multi-Cell USB PD Power Bank with Quick Charge 2.0/3.0
60W+ USB PD power bank offers efficient charging with multi-cell setup and Bluetooth LE monitoring.
Multi-Functional Cordless Drill with Wire Detection Block Diagram
Multi-Functional Cordless Drill with Wire Detection
Cordless drill design with IoT enables wire detection, Bluetooth control, adjustable angles, and enhanced visibility.
Resolver motor control system block diagram features an MCU, full-bridge FET drivers, buck regulators and RS-485 transceivers.
Resolver Motor Control for Small Industrial Robots
Compact robotic system offers precise motion control, robust design, and reduced development time.

Additional Applications

  • General purpose point of load DC/DC power conversion
  • Set-top boxes
  • FPGA power and STB power
  • DVD and HDD drives
  • LCD panels, TV power
  • Cable modems

Applied Filters: