Features
- Output Power – 27W
- Optimized to Work with iW662 to Support Multiple RapidCharge Protocols:
- Qualcomm Quick Charge 3.0
- Qualcomm Quick Charge 2.0
- XM-Comm - Proprietary Secondary-To-Primary Digital Communication via Power Transformer:
- Reduces BOM and Significantly Simplifies Design
- Handles All Rapid Charging Information
- SOT23-6 Package – Reduces Solution Size
- High Resolution – 10mV Step Capable up to 21V
- Ideal for USB PD Programmable Power Supply (PPS) and Other Protocols
- Ultra-Low No-Load Power Consumption
- <75mW with Ample Margin at 230VAC
- <20mW with External Active Start-Up Circuit
- Robust Protection Features
- Output Overvoltage Protection
- Overcurrent Protection
- Advanced Fault Control Technology
- Helps Protect Cables and Connectors from Excessive Heat and Damage by Reducing Average Power without Needing a Latch
Description
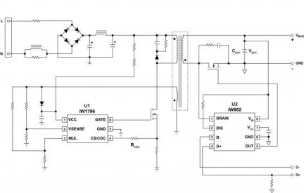
The iW1796 is a 27W output, high-performance AC/DC RapidCharge™ power supply controller that integrates Renesas' XM-Comm technology, eliminating all optocouplers from travel adapters to reduce cost and improve reliability. The device comes in an SOT23-6 package, reducing the total solution size for space-sensitive travel adapter applications. The device can support Qualcomm® Quick Charge™ 3.0 and 2.0 and other rapid charging protocols.
It is optimized to work with Renesas' iW662 secondary-side synchronous rectifier controller and rapid charge interface IC. The iW662 IC uses XM-Comm technology to transmit all necessary information via an optocoupler to the iW1796, including voltage requests, output current limits, output voltage undershoot, output overvoltage, and fault and reset signals.
A full array of protection features includes Renesas' advanced fault control technology to address soft short circuits in charger cables and connectors without latching off the output.
Qualcomm® Quick Charge™ is a product of Qualcomm Technologies, Inc.
Parameters
| Attributes | Value |
|---|---|
| Topology Characteristic | Flyback |
| Control Mode | Primary-Side Regulation Peak Current Mode DCM |
| UVLO Rising (V) | 21 |
| UVLO Falling (V) | 7.65 |
| VBIAS (Max) (V) | 40 |
| PWMs (#) | 1 |
| FET Driver Output Current (Max) (A) | 1 |
| Output Power Max (W) | 27 |
| Switching Frequency (KHz) | 76 - 86 |
| No Load Power (mW) | 20 |
| Controller / Integrated | Controller |
| Advanced Features | Cable Fault Protection, EZ-EMI, PrimAccurate |
| Temp. Range (°C) | -40 to +125°C |
| Qualification Level | Standard |
Package Options
| Pkg. Type | Lead Count (#) | Pitch (mm) |
|---|---|---|
| SOT23-6L | 6 | 0.95 |
Applications
- RapidCharge AC/DC Power Adapters for Smartphones, Tablets and Other Mobile Devices Using Qualcomm Quick Charge 3.0, 2.0 and other Protocols
Applied Filters: