Skip to main content
Renesas Electronics Corporation
Alternative(s) Available

Features

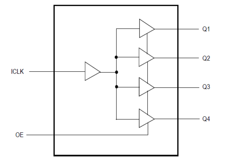
  • 1:4 CMOS fanout buffer
  • 300 ps output to output skew
  • I/O frequency up to 160 MHz operation
  • Non-inverting output clock
  • 3.3 V supply voltage
  • Output Enable mode tri-states outputs
  • -40°C to 85°C industrial temperature range
  • Standard 8-lead SOIC package

Description

The MPC94551 is a CMOS 1:4 fanout buffer. The MPC94551 is ideal for applications requiring lower voltage.

Applied Filters: