Skip to main content
Renesas Electronics Corporation

Overview

Description

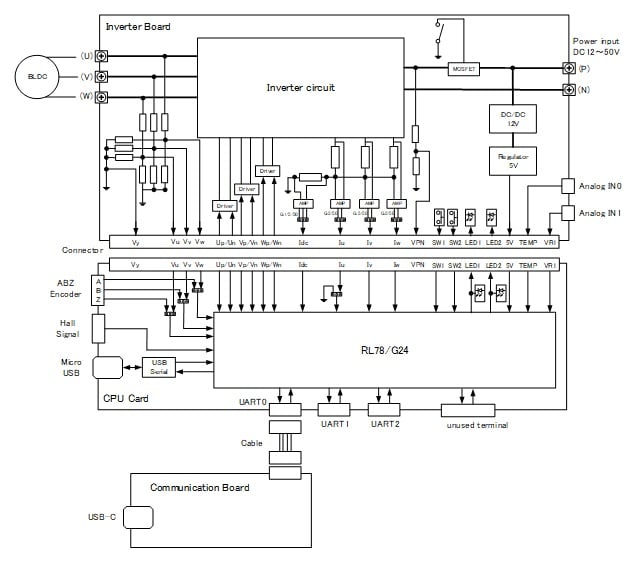
The RL78/G24 Motor Control Evaluation Kit is a permanent magnet synchronous motor (brushless DC motor) control evaluation kit that is equipped with an RL78/G24 microcontroller and allows easy evaluation of motor control. Using the sample software available for download from the Renesas website, you can start evaluating motor control right away.

Included Kit Hardware

  • Inverter Board (RTK0EMGPLVB00000BJ)
  • RL78/G24 CPU Card (RTK0EMG240C00000BJ)
  • Communication Board (RTK0EMXC90Z00000BJ)
  • Permanent Magnet Synchronous Motor (TG-55L-KA)
  • Various cables, screws, spacers

Features

  • Equipped with 16-bit RL78/G24 microcontroller
  • Control using Hall sensors and encoders of permanent magnet synchronous motors (brushless DC motors) or sensorless control by phase voltage or sensing current.
  • Supports 1-, 2-, and 3-shunt current sensing
  • Supports zero-crossing detection with built-in comparator
  • Compatible with Renesas Motor Workbench, a motor control development support tool
  • Compatible with QE for Motor
  • By swapping in a compatible CPU card, you can evaluate motor control with other MCUs.

Applications

Documentation

Design & Development

Software & Tools

Sample Code

Related Boards & Kits

Product Options

Applied Filters:

Videos & Training

News & Blog Posts

Support

Support Communities

Support Communities

Get quick technical support online from Renesas Engineering Community technical staff.
Browse Articles

Knowledge Base

Browse our knowledge base for helpful articles, FAQs, and other useful resources.
Submit a Ticket

Submit a Ticket

Need to ask a technical question or share confidential information?
Renesas Academy

Renesas Academy

Comprehensive on-demand training for Renesas products at your fingertips.
Icon showing CD-ROM illustration, indicating compact disc storage.

ROM Ordering

Embed your custom code into Renesas masked MCUs during manufacturing for tailored device functionality.